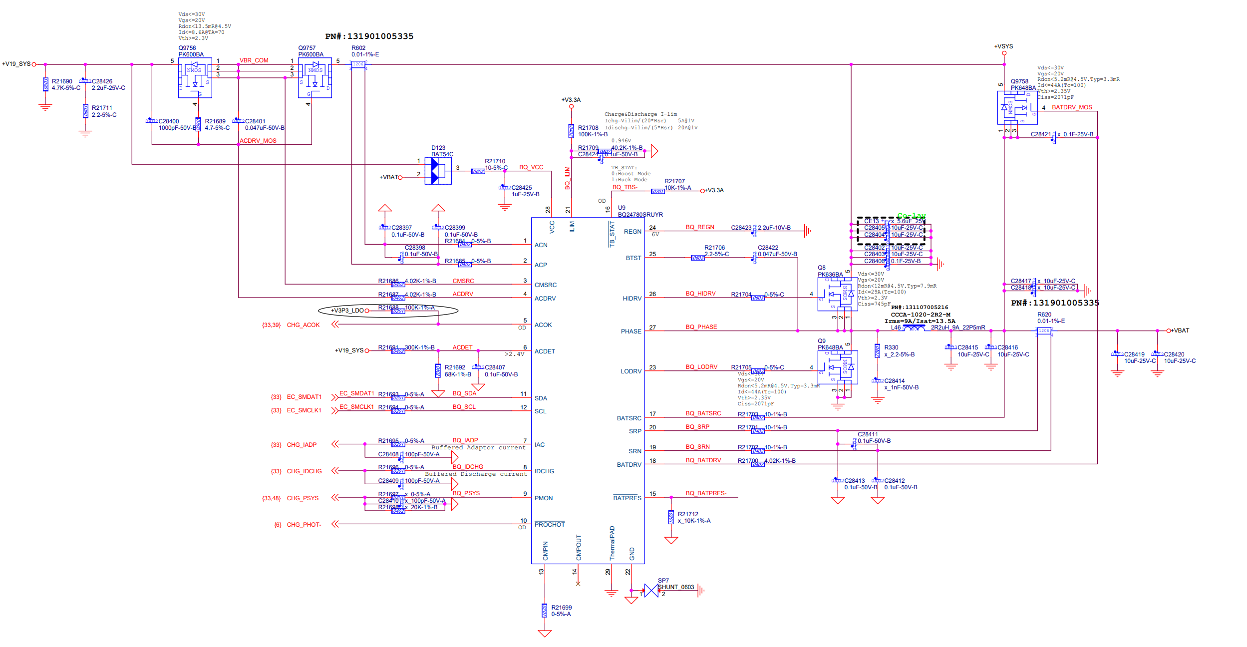
Hi ti team,
Please check the attached schematic. Thanks!

This thread has been locked.
If you have a related question, please click the "Ask a related question" button in the top right corner. The newly created question will be automatically linked to this question.
Hello Switch,
I recommend following our schematic checklist:3108.BQ24780s_SchematicChecklist.pdf
Best Regards,
Christian.