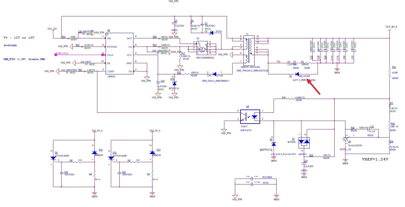
Hi,
We use the LM5022 for the buck design, and now, we test the D1 diode temperature is more than 126℃,
and please check our schematic that if there are any error for our design, the input is 12V, and output is 6V,
and then, the load adjustment rate is also very poor. When it reaches 18W, the output was originally 6V,
but later it can only reach 5.1V; Pull up to 15W and below, the output can be stable at 6V.

