This thread has been locked.

If you have a related question, please click the "Ask a related question" button in the top right corner. The newly created question will be automatically linked to this question.

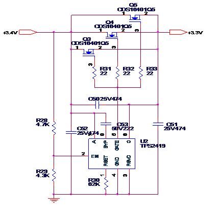
TPS2419 with 3 FETs, Delayed turn on problem

Other Parts Discussed in Thread: TPS2419

Hi,

I have a problem with TPS2419.

When we are using 3 FETs with 1 TPS2419, The FETs are turned on delayed time is more than 3 second.

So, If you can advise for me to improve this phenomenon. Also how many FETs may I use at 1 TPS2419.

When I use only 2-FETs with 1 TPS2419, It is working well.

We are using recommended FET(CSD16401)

 

Please answer me.

And here is our circuit and turn on timing