This thread has been locked.

If you have a related question, please click the "Ask a related question" button in the top right corner. The newly created question will be automatically linked to this question.

TPS65910 start up problem & EEPROM Booting

Other Parts Discussed in Thread: TPS65910

Hi engineers

            I am designing the custom ANDROID device with the reference of AM335x EVM kit. I'm using the TPS65910 PMIC. When i give input i can't get the output voltages. Is there anyother way to start up the IC by any interrupt .?

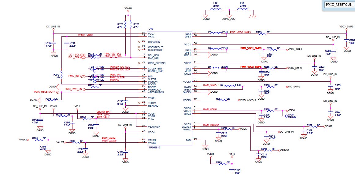
And also  connected the BOOT0 with GND and BOOT1 with VRTC for EEPROM processor power-up sequence. But in datasheet there is no details about EEPROM configuration. Then i've referred the SWCU093B document. there is details of register and EEPROM, but there is no details about how to implement it.

Please help me how to implement the EEPROM configuration if its need, is there anything to do for startup my processor. Because my PMIC not getting start, there is no output power from IC and also i've start the IC by PWRON bin.

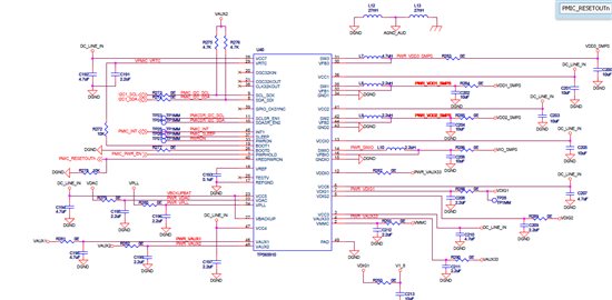
I've attached the schematic of PMU. 

Thanks in advance