This thread has been locked.

If you have a related question, please click the "Ask a related question" button in the top right corner. The newly created question will be automatically linked to this question.

LM2751 / Introduction of an LED driver

Other Parts Discussed in Thread: LM2751, LM3410, LM3530, LM3410XSDSEPEV

Hi.

I have received the question about an LED driver.

Please let me know about the LED driver of TI.

Now, I am introducing LM2751.

Is there any LED driver which fulfills the following specification?

1.PWM Dimming=3000:1 ~ 1000:1

2.Driving current=150mA

3.Vin=2.7-4.2V

4.1 direct 1 Para.

If there is an LED driver who can realize 1~4 conditions, please let me know.

 

yusuke

  • Hi Yusuke,

    Could you clarify what do you mean  4 condition?

    As preliminary solution  with dimming to drive 150mA with Vin=2.7-4.2 you could consider LM3410

  • Hi

    Thank you for giving a comment .

    For the purpose of connecting only one LED indicated the conditions of 4.

    The number of LED to control is one.

    I think that I would like to introduce LM3410 and LM3530.

    Can LED which connects LM3410 and LM3530 be used as for at least one piece?

    What kind of circuit configuration should it be made when two or more pieces must be used?

    Although use of LED and R was considered, since efficiency fell, I gave up.

     

    It teaches, and I am glad if it gets.

    yusuke

  • Hi Yusuke,

    Tsukui Yusuke said:

    Can LED which connects LM3410 and LM3530 be used as for at least one piece?

    What kind of circuit configuration should it be made when two or more pieces must be used?

    I afraid that I don't understand what do you mean for "one pice". Could you explain it?

  • Hi.Oleksiy

    I must apologize. It was a miswritten word.

    Can LM3410 connect only one LED?(It is liking to give an attached figure. )

    There are two questions.

    1.Can LM3410 be adjusted to 3000:1~1000:1 by PWM?

    2.LM3530 can be adjusted to 1000:1 by PWM.

        Is one LED controllable?

    0456.LM3410.pdf

    best regards,

    yusuke

     

  • Hi,

    When can I have your response?

    Best Regards,

    yusuke

  • Hi yusuke,

    You could refer to the  datasheet of the LM3410 figure 7 (DIM Freq and Duty Cycle vs Avg I-LED) and estimate what dimming ratio you could obtain at different PWM frequencies. Concerning LM3530 I couldn't advice you anything except that  datasheet mention 1000:1 Dimming Ratio.

    As well put attention that LM3530 is boost converter this mean that it could be the issue to drive one LED.

    While LM3410 could be used for SEPIC topology and thus could drive as well only  one LED. Look to the LM3410XSDSEPEV (LM3410XSD SEPIC High Brightness LED Evaluation Board) as reference

  • Hi Yusuke-san,

    I got this from the apps responsible of LM3530:

    The LM3530 takes the PWM input and low pass filters it and applies it to the amplifier that controls the current in the low side current sink.  1000:1 ratio is possible with frequencies above 500Hz.  Below 500Hz the dim frequency starts to get near to the corner frequency of the filter and you start to get non-linearity’s. Below this, the noise from the switcher or the PWM input would start to corrupt the LSB’s.

    The LM3530 would not have an issue with 1 LED since the current is controlled in a low side current sink. 

    For the LM3410 the boost does have a min duty cycle of 2%.  I figure this is to provide a method for monitoring the switch current.  So what could possibly happen is that the min VOUT will always have to be higher than VIN which means that at small VIN to VOUT ratios the regulation loop around the RSET resistor will not work very well.  You end up regulating to a min duty cycle rather than the feedback voltage.

    We also suspect that the LM3410 does not get to 1000:1 dimming ratio.

    Thank you,

    Sami

  • Hi Sami,

    Could you clarify your statement about driving 1 LED by LM3530? As understand for required input voltage in the range 2.7-4.2V and typical forward votage for white LED ~ 3V we should provide buck-boost topology. Does your statement mean that LM3530 could  be use for this purpose?

  • Hi Yusuke-san,

    I noticed one thing in the earlier requirements that prevents the use of LM3530.

    Requirement was:

    2.Driving current=150mA

    LM3530 cannot handle that.

    Regards,

    Sami

  • Hi Sami

    Thank you for giving a reply.

    Can LM3410 clear four conditions?

    If there are IC and the method of clearing four conditions, please let me know.

    Regards,

    yusuke

  • Hi Yusuke-san,

    The LM3410 could drive the 1 LED and handle the current, but we suspect that it cannot reach the 1000:1 dimming ratio.

    Regards,

    Sami

  • Hi yusuke,

    Tsukui Yusuke said:
    Can LM3410 clear four conditions?

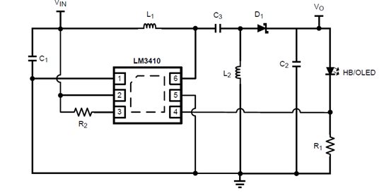
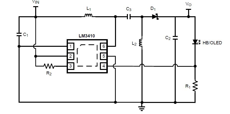
    Please refer to the "AN-1775 LM3410X SEPIC 6-Pin LLP Demo Board" to drive 1 single LED. schematic is below

    Concerning  possible Dimming ratio for LM3410 see figure below from datasheet.  According to this picture and taking into account minimal DutyCycle 2% with LM3410 roughly possible to obtain Dimming ratio about 100:1, higher ratio it  could be the issue. Could you share for what kind of application you need ratio 1000:1 or 3000:1.

    To see real performance of the LM3410 TI provide evaluation board LM3410XSDSEPEV (http://www.ti.com/tool/lm3410xsdsepev)