This thread has been locked.

If you have a related question, please click the "Ask a related question" button in the top right corner. The newly created question will be automatically linked to this question.

LM25117 - Efficiency problem

Other Parts Discussed in Thread: LM25117

Hi,

We have made two designs with the LM25117. One to output 15 volts and one to output 4.5V. The basic specifications of both designs are as follows:

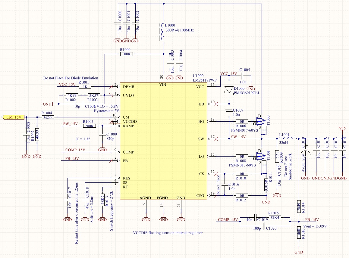
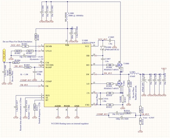
Vout = 4.5V Vout = 15V
Iout = 9A Iout = 3A
Vin = 24V Vin=24V

The schematics of both designs are added at the bottom of this post. We made one PCB and tried both designs on it.

The design with 15V output works perfectly and has an efficiency around 96% depending on input voltage and output current.

The design with 4.5V output only has an efficiency around 82%. We tested it over a range of input voltages and output currents. Looking at the data from the evaluation kits and the electronic workbench the design should have an efficiency around 92%. We suspect there is an error in the component values we used to create the 4.5V design because the 15V design works flawlessly, but all the values we used for the 4.5V design are derived from the equations in the datasheet.

At this moment we are at a loss and are hoping we could get some pointers to get the efficiency from the 4.5V design up to appropriate levels. Many thanks in advance!

4.5V schematic:

15V schematic:

  • Hi

    Since 4.5Voutput requires 9A current flow, Lower DCR inductor and lower Rdson MOSFET are required.

    My guess is the DCR of your indutor selection for 4.5V output  is too high.

    The best way is checking the component's temperature to see which component is hottest.

    Regards,