Hi,
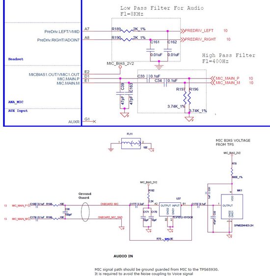
We're using TPS65930 in our design. We have connected the MEMS MIC on Mic main.p as illustrated on datasheet. I believe the device can do only mono recording(left channel). But what we're getting is Hiss noise (in right channel) on recorded message for most of the boards in production. 
We let the AUXR floating as recommended in "Application Report SWCA081–June 2009". Will it make any noise on right channel? or is there some other reason behind it. We can see it from kernel that ADCR is disabled. Schematic is for your reference.
Thanks in advance for your kind help
Regards,
Nambi