This thread has been locked.

If you have a related question, please click the "Ask a related question" button in the top right corner. The newly created question will be automatically linked to this question.

TPS54418RTET instability

Hi,

we are experiencing problems during startup of some units using TPS54418RTET regulator.

My problem seems to be exactly the same as answered in this forum last year, see question TPS54418RTET by Thomas Rygh: Schematics are similar, and measured curve forms are similar, showing irregular duty cycle.

Out of 720 produced units, about 30 - 40 pcs show this behaviour, rest of units are quite ok. All units have regulators with component marking 54420 // TI 22K // DCF6 or DCFE, think this means that those regulators were produced Q2/2012(?).

In the previous thread, it was indicated a component update which could amend the problem:

"The majority of the parasitic cap is due to a probe pad sitting over substrate connected metal 1. When this probe pad was cut out on a failing unit, the unit recovered and operated properly over all conditions. We are in the process to implement the change and hopefully it will be in the production early Q4 2012.

Regards,
Na"

The question is: Does anyone know if the regulators have undergone that update by now, making it worthwhile buying new regulators for replacement in those failing units? And if so, as from which date or batch?

Regards,
Arne Solstad

  • Hello -

    The silicon update has been implemented, but I'll have to get back to you about the schedule for release.

    Let's first confirm that the phenomenon you're seeing is indeed the same as the post you listed above. Can you post a waveform showing the PH node?

    If it is the same issue, you should be able to note a few trends:

    • Applying enough load to bring the valley current above 0A should eliminate the issue
    • Applying heat (i.e. by a heat gun or hot air tool) should eliminate the issue
    • Raising VIN should make it become more severe, lowering VIN should make it become less severe or disappear

    Otherwise it possible you're running into small signal instability.

  • Thank you so much for your response.

    Ok, may be it's not the same issue, as increasing load (even shorting the output) does not improve the instability issue in my case, nor can't I see significant change from heating.

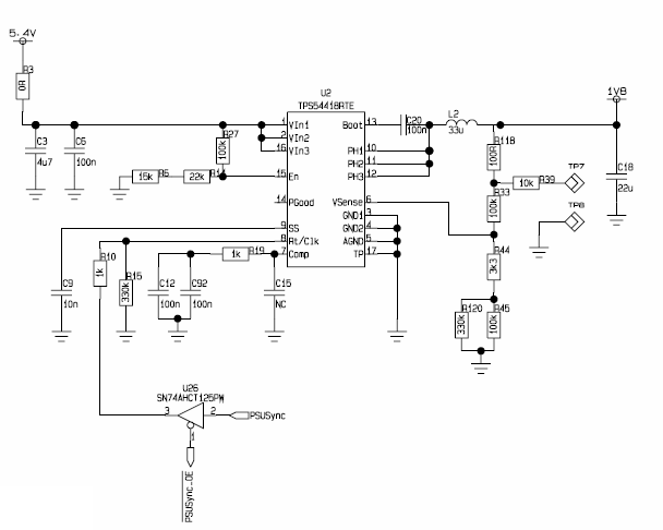
    The actual schematics is:

     

    I've recorded a couple of waveforms showing PH node signal from one of my "problematic" regulators stepping down from 5.4V to 1.8V:

    Part of my problem may be that the load comprise signal processor, FPGA, etc that has to boot up before SW starts up and the current consumption increases (and the FPGA indeed starts transmitting regulator sync signal, fixing all problems;). The current consumption during boot is low, and since the voltage is unstable during this period, boot process often fails.

    On the other hand: For most of the units, the regulators starts without any problem at all, even without any load (signal processor/FPGA board) attached, showing PH response as below.

    Hth.

    Regards,
    Arne Solstad