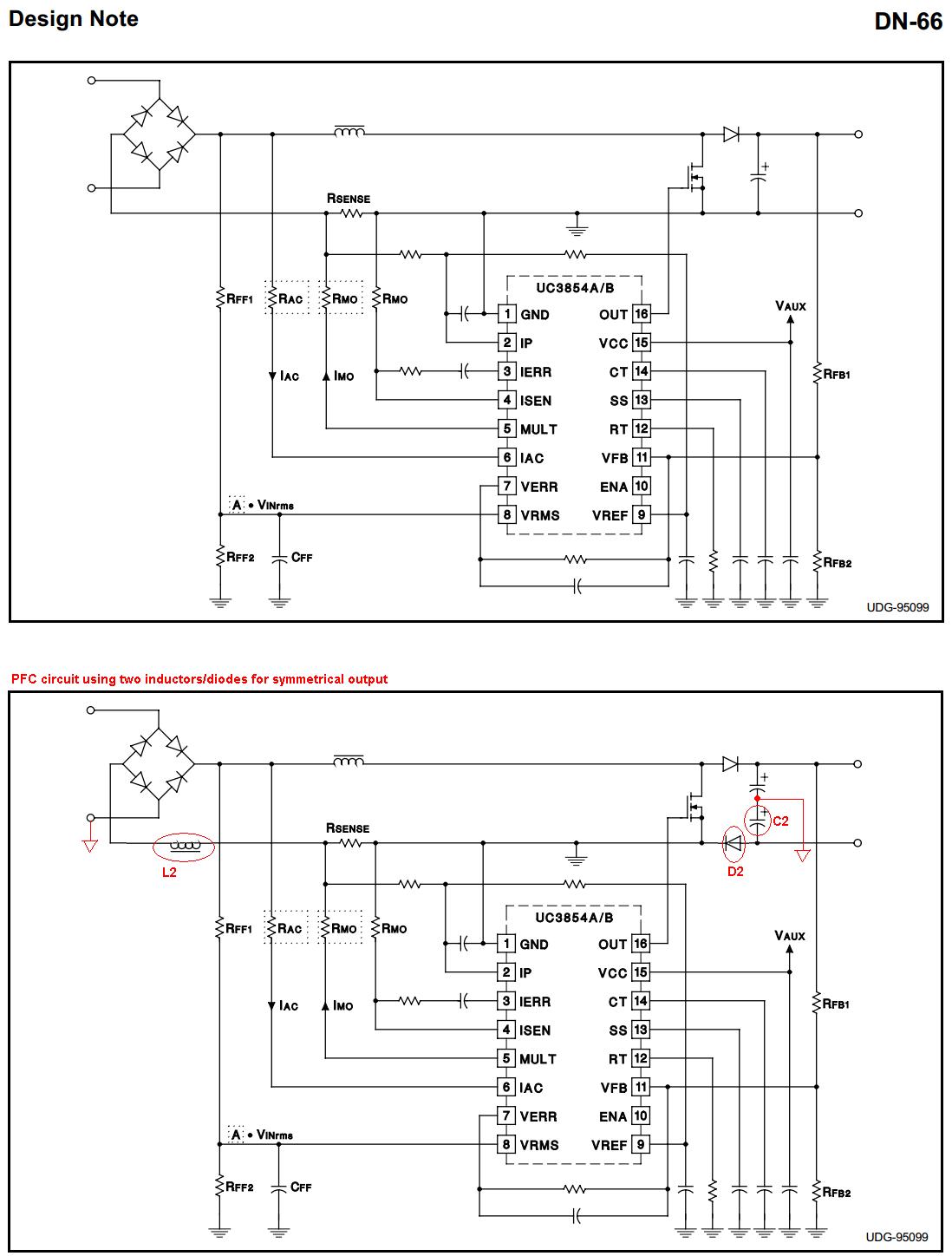
Hi!
I'm using a UC3854 in a symmetrical output PFC circuit...
My question is:
All equations, values, etc are the same as used in a single output circuit?
Attached there is my circuit in comparision with Texas single output circuit.
This thread has been locked.
If you have a related question, please click the "Ask a related question" button in the top right corner. The newly created question will be automatically linked to this question.
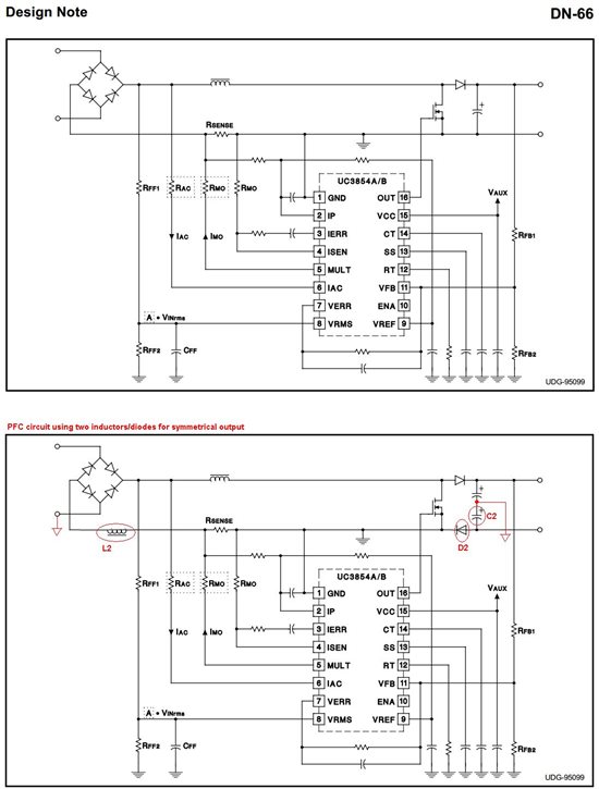
Hi!
I'm using a UC3854 in a symmetrical output PFC circuit...
My question is:
All equations, values, etc are the same as used in a single output circuit?
Attached there is my circuit in comparision with Texas single output circuit.