This thread has been locked.

If you have a related question, please click the "Ask a related question" button in the top right corner. The newly created question will be automatically linked to this question.

BQ24650 Solar and Battery Source

Other Parts Discussed in Thread: BQ24650

We have the BQ24650EVM and are testing the chip charging a 3.3V nominal (3.65V charge) 3300mAH LiFePO4 battery from various voltage sources.

We altered the evaluation board as follows:

R13: 499K -> 78.7K

R15: 100K -> 115K

R19: 30K fixed + 100K POT

Changing R14 and R15 resulted in a 3.65V charge voltage which is what we needed. The R19 alteration allows us to change between a 12V solar panel MPPT of ~17.8V and a 6V solar panel MPPT of ~5.8V.

We began testing with the board powered from a 12V solar panel (R19 adjusted for 36K) and all seemed to be working well. However, when we brought the device inside and attempted to use a 12V battery as the power supply we received no charge. Realizing this was likely due to the fact that the voltage was below 17.8V (The MPPT threshold) the POT was adjusted to the 5.8V MPPT level. The circuit then operated as expected.

My question revolves around if there is a way to configure for both DC inputs between 5-16V as well as a 12V solar panel? We were thinking that we could just set the MPPT level to below 5V, but were not sure how this would then affect the solar charging efficiency/functionality. Our other thought was possibly using a programmable resistor so that we can change the MPPSET level based on a detected voltage. (Note that we will have two separate lines coming into a power path switch and decide which one to use for charging, so we would know if it was a DC source or a solar input. Our issue here is what happens if the programmable resistor is not powered when we try to charge the battery [this could happen if the battery is dead])

Any suggestions regarding how best to deal with these input requirements?

  • The MPPSET is a input to a control loop with a reference of 1.2V.  This control loop is or'ed into the other control loops that perform CC and CV and temperature etc.  The control loops only reduce the power delivered. One of the loops will kick in.

    If running off a low impedance adapter and the MPPSET divider is above 1.2V then the MPPSET loop will not kick in, but the CC loop will kickin for a half charged cell.  If running off a solar panel, as the load increases the solor panel's voltage drops.  If it drops to the 1.2V MPPSET threshold the converter will regulate there and deliver the maximum power of the solar cell (assuming it is programmed correctly).  If for some reason the voltage drops below the 1.2V threshold the MPPSET loop will reduce the charge current to zero as you discovered.  If you fix the MPPSET higher than 1.2V the MPPSET loop will not control the power delivered.  If your programmed resistor sets the divider such that it is lower than 1.2V, no power will be delivered.

    If you have two solar panels and have a signal that indicates which one is applied, you could switch in and out a resistor in the MPPSET divider to satisfy both cases.

  • Thank you for the response.

    We have moved away from the thought of a 6V solar panel as an option. Now we will have a 12V solar panel and a DC 5-16V source.

    In order to overcome the control loop restriction when we use the DC source we will set the voltage divider for a 5V MPPSET value to allow operation at 5V and then parallel a resistor in the voltage divider that is connected via a solid state array. The solid state array is controlled based on the input to turn the relay on and parallel in the resistor when the solar panel is detected to alter the MPPSET value and allow for efficient charging with a 12V panel.

  • Respected Sir,


    I have designed the circuitry of MPPT charge controller using BQ24650 (the EVM circuit) .  I am facing the problem that the battery does not charge through this circuit. The main problem being that I am not getting the desired voltage of 12.6Vdc at the Vout pin. Can you please suggest me the solution to this problem?

    Thanks and Regards,

  • please send the schematic.

  • Respected sir,

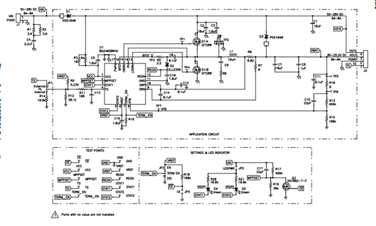
    I have attached the schematic of the circuit with this post. Kindly guide me through the problem. The circuit is taken from the application circuit document 'sluu444a' of BQ24650.

    Thanks and Regards,

  • What is the voltage on the MPPT pin?

    What is the input voltage?