This thread has been locked.

If you have a related question, please click the "Ask a related question" button in the top right corner. The newly created question will be automatically linked to this question.

BQ76940: Power supply and REGSRC pin

Other Parts Discussed in Thread: BQ76940

Hi, 

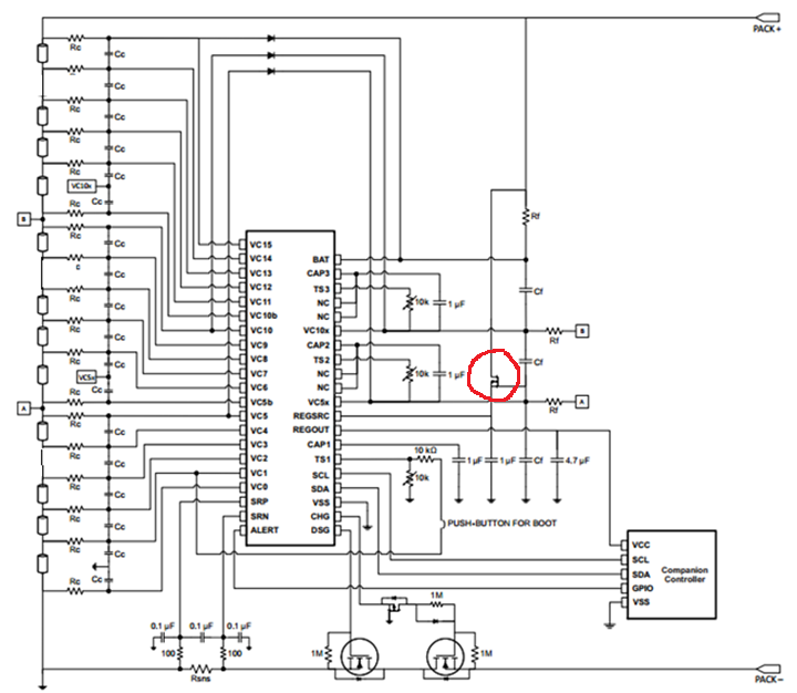
I would like to use BQ76940 for 12 cell battery with:
-  Cell nominal voltage 4.2V, Pack nominal voltage 48V (for 12 cell).
- Cell maximum voltage is 4.7V and Pack maximum voltage is 56.4V.
But in the datasheet, I see that the voltage range for REGSRC pin is -0.3 - 36V. And the datasheet show can use a FET to reducing the voltage.
Can you explain to me:
How the FET can reducing tho voltage?
How can I control this mosfet to make the voltage supply for REGSRC with range   -0.3 - 36V  ? 
How can I calculate the current support for REGSRC and confident the voltage in range -0.3 - 36V  ? 
Thank you very much for your support!