This thread has been locked.

If you have a related question, please click the "Ask a related question" button in the top right corner. The newly created question will be automatically linked to this question.

no constant current for bq24002

Other Parts Discussed in Thread: BQ24002

HELLO 

I have a bq24002 ic and I use the circuit by datasheet

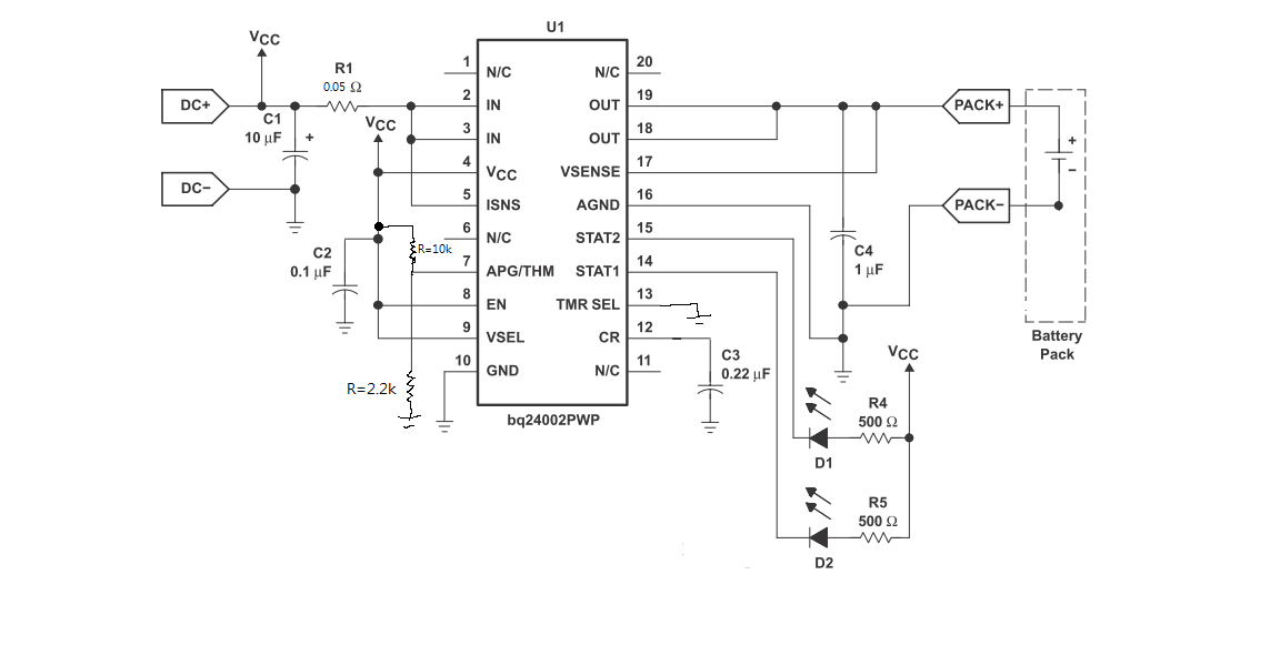
my circuit

Rsns : 0.1 ohm

I open APG mode

my cell : 600 mAh  4.2V

charge time 6 hours 

when I start , the cell open voltage is 3.51V 

power  on the current 0.278A   not 0.6A 

Why ??????????????

the charge is on 1C constant current 

but  I don't see that in my circuit 

 Please solve my question  THX

  • What is the status on two status pins (STAT1 and STAT2)?  Do you have a schematic of the circuit? Note that all the measurements should be measured as close to the IC ouput pins as possible. It looks like you will have a lot of voltage drop caused by the wires. Also, please make sure your input voltage is > VUVLO. Using RSNS = VILIM/IREG gives RSNS = 0.17 ohm for 1C constant current for your battery.

  • 這個數字是恆流狀態,所以STAT1 LED是對我有其他問題的電路“VILIM”什麼在VILIM引腳上的電壓的功能框圖數據表說VCC引腳和VILIM是相同點是在VILIM電壓5V? ?它是正確的?

    when the STAT1 is Continued 

    the constant current  0.215A

    the voltage in pins

    VCC pin4 = 4.975V

    ISNS pin5  =  4.856V

    APG pin7 =  0.9V

    EN and VSEL pin8,9 = 4.975V

    CR pin12 = 2.912V

    VSENSE pin17 = 3.873V

    OUT pin18 = 3.913V






  • VILIM = 0.1 V (typ) is an internal reference voltage. You can find the value of VILIM in the current regulation section in Electrical Characteristics table. How are you measuring the current. Measuring current using a current probe, such as the Agilent 34134A AC/DC current probe, will result in a more acurate measurenmt than connecting an amp meter in series. We do not currently have BQ24002 EVM in our lab. I will order one and get back.
  • Thank you for your help
    I measure correct current = 0.6A
    Because the lots of noise cause