This thread has been locked.

If you have a related question, please click the "Ask a related question" button in the top right corner. The newly created question will be automatically linked to this question.

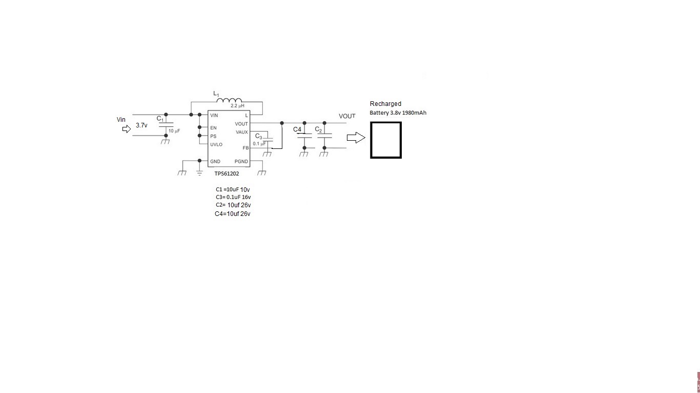
Implement a lithium ion battery charger using the TPS61202

Other Parts Discussed in Thread: TPS61200, TPS61202

The entrance has a 3.7V and a 5.5V output voltage, Which power Watts should be theresistors R1 and R2?

  • hi carlos
    sorry I can't get exactly what youo mean, the power level of R1 and R2? or how to choose R1 nad R2?
    0402(1/16W) is enough for R1 and R2 from power level side if R2 is higher than 10KOhm.

    Charles
  • Thank you very much for your reply help me much

  • how carlos,

    tps61202 is fixed 5V output, if you want to output 5.5V, tps61200 is avaliable.can you share us some detail application information about why use this circuit? if you want to charge Li-ion battery directly(~4.2V max), why config it to 5.5V output? it's also interesting that what 3.7V respresnet? another Li-ion bat?

    Charles

  • Hello Charles

    First of all thanks for your comment I am an electronics student, because I purchasedthis integrated TPS61202 to recharge a battery of lithium-ion battery of 3.8 Volt,1980mAh,
    As the integrated TPS61202 gives a current maximum of 600mAH I am using it torecharge the lithium-ion battery, but my difficulty is in how to I set up the integrated,the 3.7voltios come from 2 batteries of 1.8 Volt, connected in series. Please if possibleto give me any suggestions on how to make possible to configure this integrated withthe sole purpose of recharge a lithium-ion battery of 3.8 Volt, 1980mAh, you send thisdiagram electronic if it is correct.
  • if you just want a 5V output from tps61202, yes, just please keep FB=VOUT,if you wwant to charge li-ion battery afterward, please use an charger IC afterward.