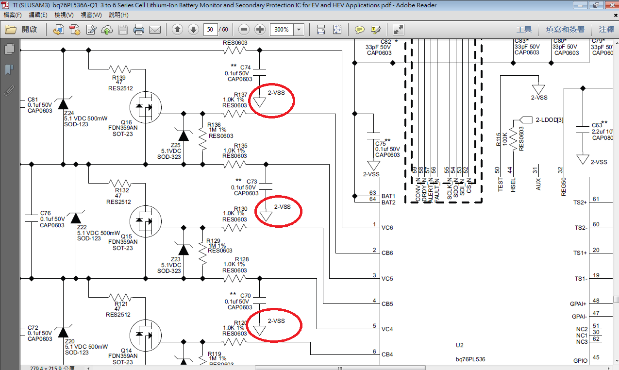
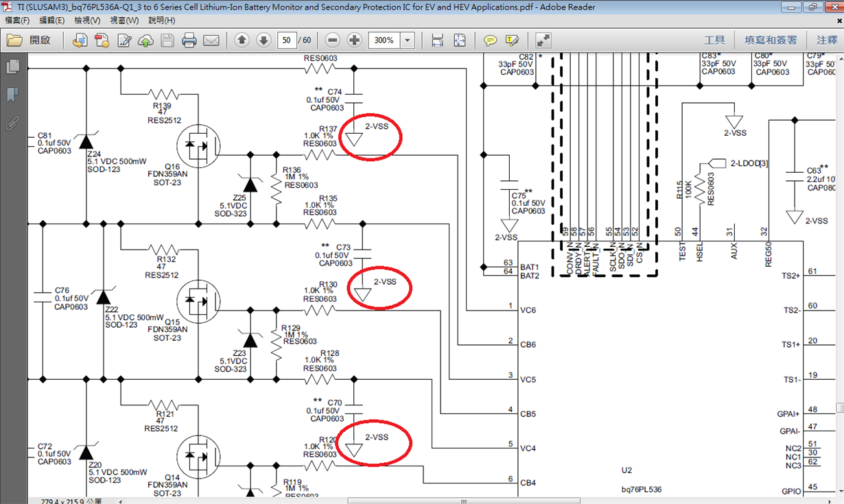
Dear Sirs,
Is there something different for both two connections ?
Which one is prefer ? Many thanks !
This thread has been locked.
If you have a related question, please click the "Ask a related question" button in the top right corner. The newly created question will be automatically linked to this question.
Hi Terry,
Single ended filtering is our recommendation because of same cut off frequency.
Use the bottom circuit.
Roger