This thread has been locked.

If you have a related question, please click the "Ask a related question" button in the top right corner. The newly created question will be automatically linked to this question.

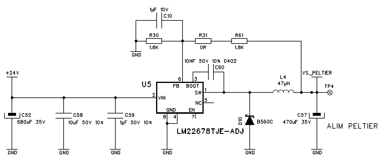
LM22678T-ADJ the output tension not stable

Here is my application schematic. The VS_Peltier is to supply only for the TEC. When the TEC is used, it needs a current 2A maximum. When the tec is not used, the VS_Peltier is 4.7V stable; but when the tec is cooling or heatting, the VS_Peltier is going up to 5.7V and not stable. it varies beteween 5.2V-5.9V. So then I add a capacitor 2200 uF in parallel to the C57. It becomes better, Vs_peltier goes down to 5.3V and varies betewwen 5.0-5.4V. But it stops there. what can i do to disappear the phenomenon?