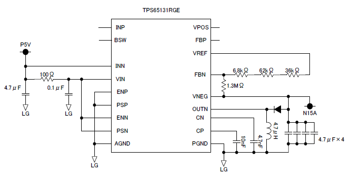
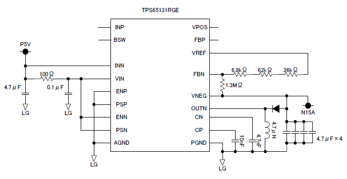
If TPS65131 use -15V only, is below circuit right?
※Positive rail is not use.
Is involved of positive output pin (without ENP/PSP) left open , OK?
Best regards,
Satoshi
This thread has been locked.
If you have a related question, please click the "Ask a related question" button in the top right corner. The newly created question will be automatically linked to this question.
Hello Satoshi,
Your circuit looks ok, you should maybe consider to add a feedforward compensation network. What I also recommend is to terminate the open Pin's. As you are not using the positive stage you can connect the pins to GND.
Thank you,
Best Regards,
ilona