This thread has been locked.

If you have a related question, please click the "Ask a related question" button in the top right corner. The newly created question will be automatically linked to this question.

bq25504 charger doesn't work.

Other Parts Discussed in Thread: BQ25504

Dear Sir,

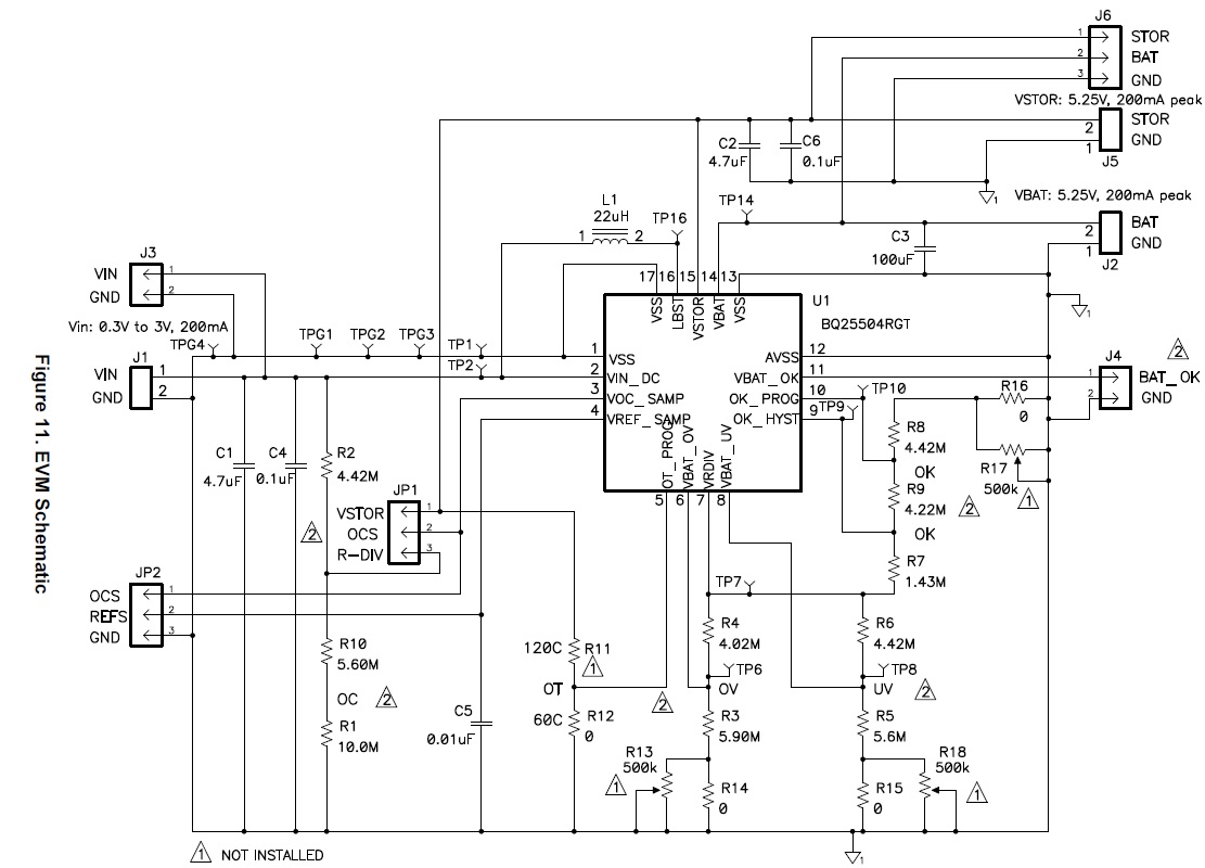
I am design a BQ25504 for solar charger. and we got an EVM board to connect a solar. We set input 1.1V/36mA  but the charger seems doesn't work.

in the begining , it worked well without problem but after trying many times it doesn't work properly. Could you please give us some adivse ? what is wrong with it?

I took a vedio as below hyplink

https://youtu.be/_Fu6S-MoLdk

Thanks,