Hi
I have an application where I want to limit the current to 18A. Is there a way I could do that with TPS24751 ?
Thanks
Nithin
This thread has been locked.
If you have a related question, please click the "Ask a related question" button in the top right corner. The newly created question will be automatically linked to this question.
Hi Nithin,
We have not yet tested TPS24751 eFuse parallel operation. It may be possible with some circuit modifications.
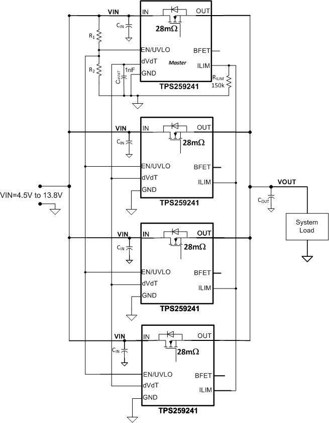
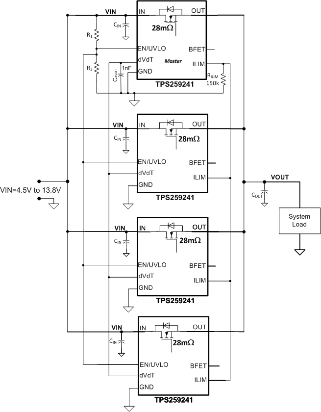
TPS259241 is tested for parallel operation of four devices. Here is the schematic.
Please note, the circuit must be tested to a satisfactory level before using it in production.
Regards,
Venkata