This thread has been locked.

If you have a related question, please click the "Ask a related question" button in the top right corner. The newly created question will be automatically linked to this question.

tps63060 DSC footprint clarification

Other Parts Discussed in Thread: TPS63060

Hello,

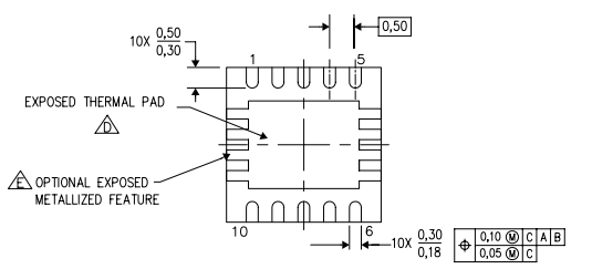
In the datasheet for tps63060 I have found 2 different images to represent the footprint of the device.  In the 'DSC' package mechanical data, it states that item 'E' is an 'optional' feature:

As you can see, in this image the 'optional exposed metallized feature' shows 4 'pins' on each side and there are no specific measurements shown.

At the bottom of the page, it states that the datasheet should give these measurements, but I could not find them anywhere.

Can you please provide the specific thermal pad dimensions for this part?