This thread has been locked.

If you have a related question, please click the "Ask a related question" button in the top right corner. The newly created question will be automatically linked to this question.

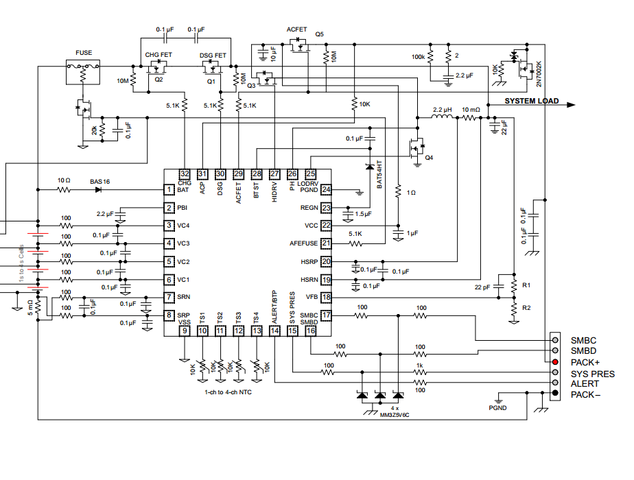
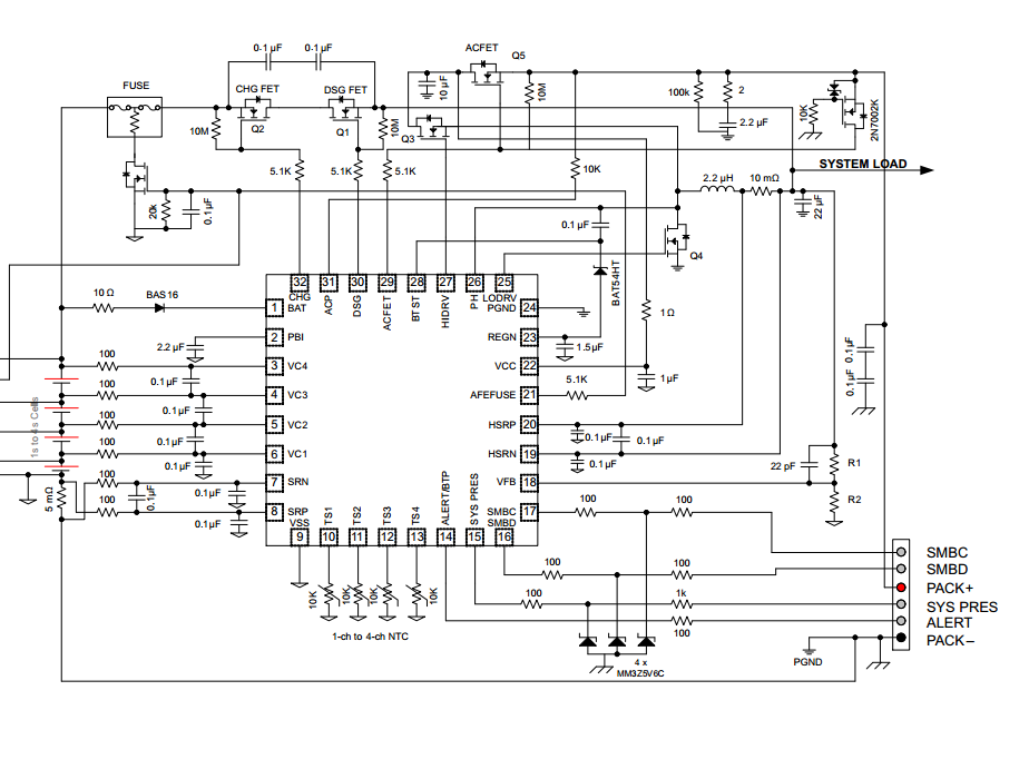
BQ40Z60 Application Circuit Components

Hello,

We are going to use this IC to charge two-cell battery and we are stuck with the components called Q1, ......, Q6, in other words transistors. 

Our question is to find out how to decide on these transistors in the application circuit of the IC. It is in the page 32 of the datasheet but anyway I am going to provide a screenshot of the circuit.

Thanks in advance for all your help,

Have a nice day