This thread has been locked.

If you have a related question, please click the "Ask a related question" button in the top right corner. The newly created question will be automatically linked to this question.

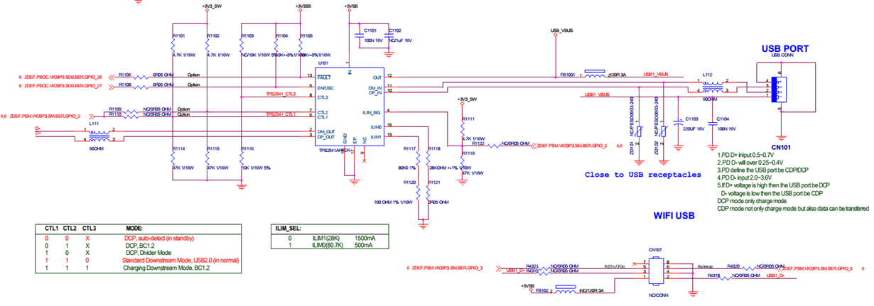
TPS2541A fault pin issue in USB charger

Hi all

We customer currently design Tablet, have USB charge function.

But sample run test 10 PCS tablet occur 3 PCS fault pin pull low, check inrush current is not over 1 A, so check schematic but looks OK.

PS. change LIM1 resistor 40 k ohm let current limit 0.5 A up to 1 A, this issue is fix

why Inrush current lower than 1 A, the fault pin occur pull low issue.....