This thread has been locked.

If you have a related question, please click the "Ask a related question" button in the top right corner. The newly created question will be automatically linked to this question.

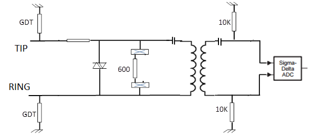
Tip and Ring switching of a telephone line

Hello,

I am about to interface a plain old telephone signal and my interface is required to adjust the impedance between High impedance and 600 Ohm.

My first thought was to connect and disconnect a 600 Ohm resistor with an analog switch.

However the telephone signal (48 Vdc plus analog audio) must be across the 600 ohm resistor so I need the switch to be able to route that.

I see that TI analog switches routed signals must be under VCC (3 volt).

Is there any usseful switch for my purpose?  

Many thanks in advance

  • Jorge,

    Our current signal switch has devices that can switch up to 12 V signals.  We are currently looking into creating some 36V signal switches later in the year.  We do not have a signal switch that can switch 48V.  I'm going to move this thread to the load switch forum since they may have some switches that can handle higher voltages.

    Thank you, 

    Adam