Hello,
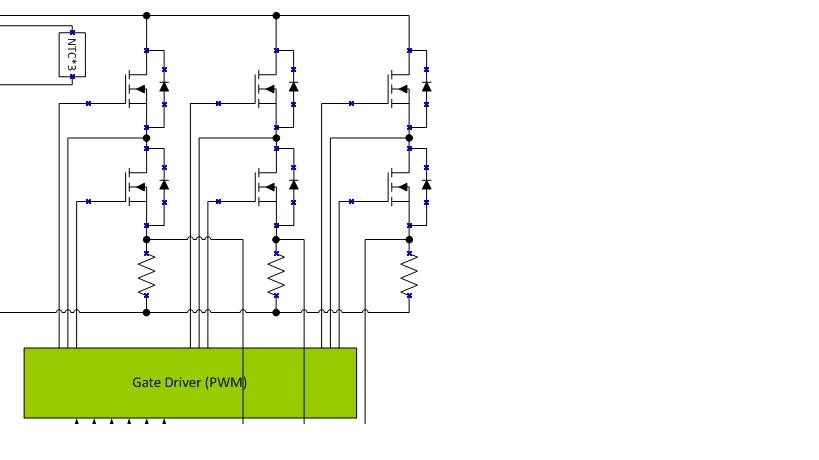
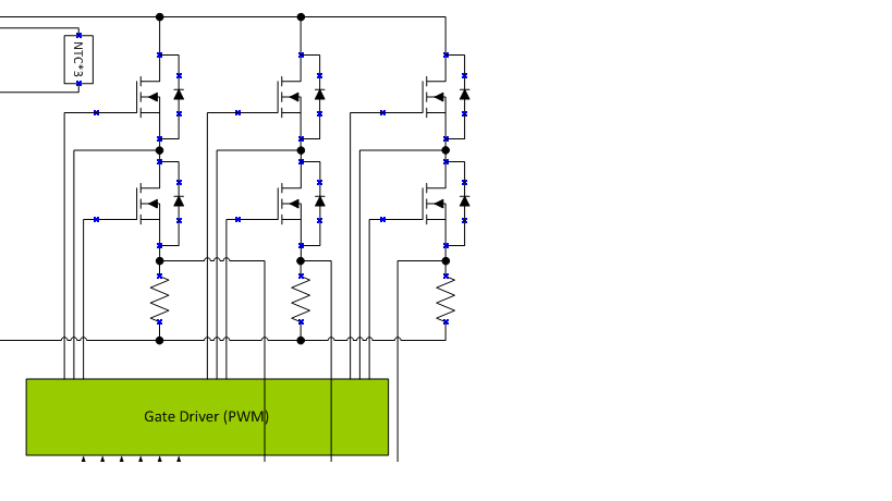
Below is customer topology that integrated shunt resistor. Do VSS and COM of gate driver need to connect together? Per datasheet description, low side has level shift so don't need connect together, right? Thank you.
BR
Patrick
This thread has been locked.
If you have a related question, please click the "Ask a related question" button in the top right corner. The newly created question will be automatically linked to this question.
Hello,
Below is customer topology that integrated shunt resistor. Do VSS and COM of gate driver need to connect together? Per datasheet description, low side has level shift so don't need connect together, right? Thank you.
BR
Patrick
Hello Patrik,
Your understanding is correct. There is a level shifter from VSS to COM which can handle -6V/5V. Here is a reference design you could take a look.
Here is a reference how you can process the sensed signal to EN.
Please let me know if you have any questions.
Wei
I am sorry the circuit diagram didn't show up. Let me try again.
Hello Patrik,
Your understanding is correct. There is a level shifter from VSS to COM which can handle -6V/5V. Here is a reference design you could take a look.
Here is a reference how you can process the sensed signal to EN.
Please let me know if you have any questions.
Wei
UCC27714 Answers.pdfHere is the attachment. Please let me know if there is any questions. Thanks a lot.