This thread has been locked.

If you have a related question, please click the "Ask a related question" button in the top right corner. The newly created question will be automatically linked to this question.

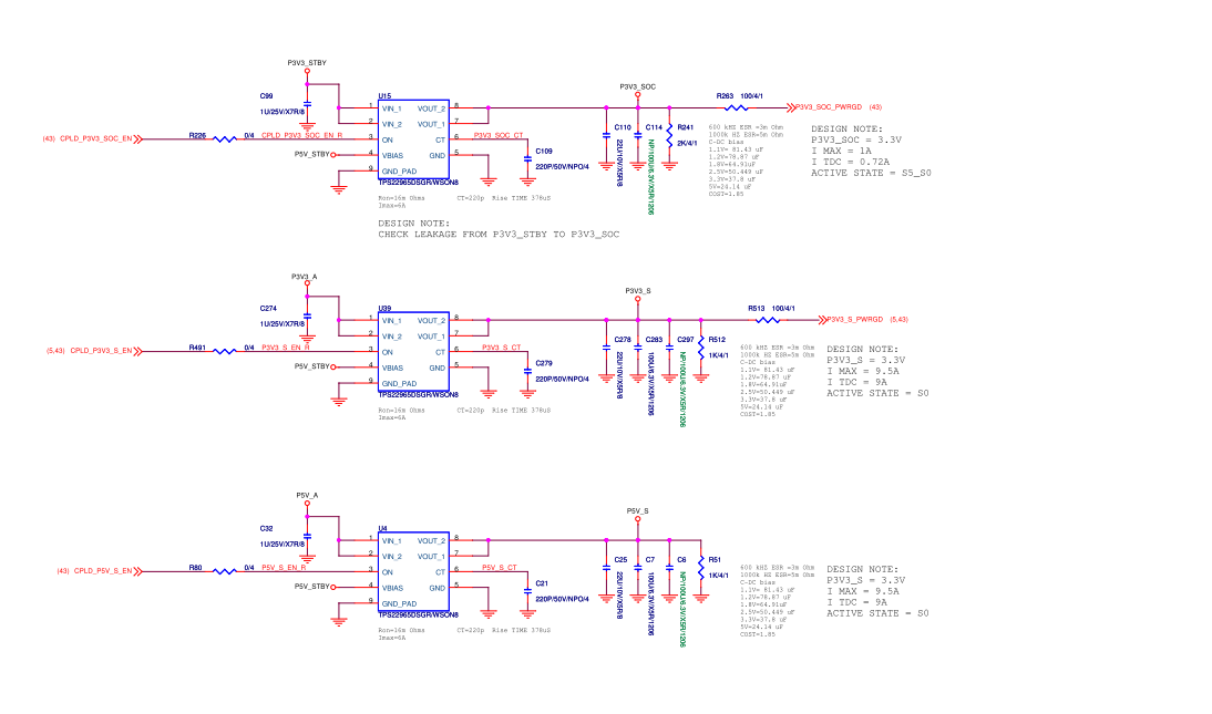
TPS22965 CT issue

Hello,

              Below is customer schematics. Please refer to below waveform. The CT value more higher, it will cause more oscillation of VIN voltage. Why is the phenomenon? Is ti normal for testing? Thank you. 

CH1 P3V3_A

CH2 P3V3_S

CH3E CPLD_P3V3_S_EN

CT 470p

CT 2200p

BR

Patrick

  • Hi Patrick,

    This VIN oscillation is not expected with normal operation of the device. What is applying the voltage to the VIN pin? It looks like the voltage has not had time to settle before the load switch is turned on, so this could be a result of the power supply not being ready for the load.

    In normal operation, VIN will not see any oscillations.

    Thanks,

    Alek Kaknevicius