This thread has been locked.

If you have a related question, please click the "Ask a related question" button in the top right corner. The newly created question will be automatically linked to this question.

BQ29410: Do you have secondary voltage protectors for Q1?

Part Number: BQ29410
Other Parts Discussed in Thread: BQ29209

Dear Battery Management team

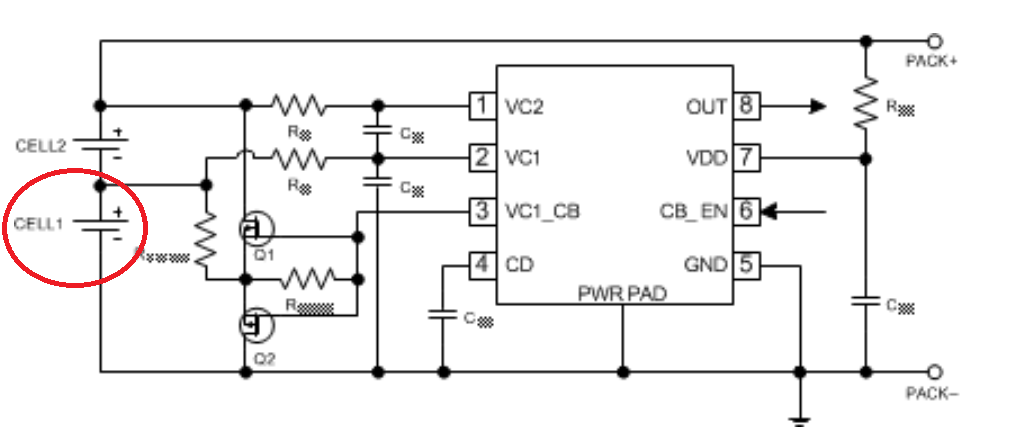
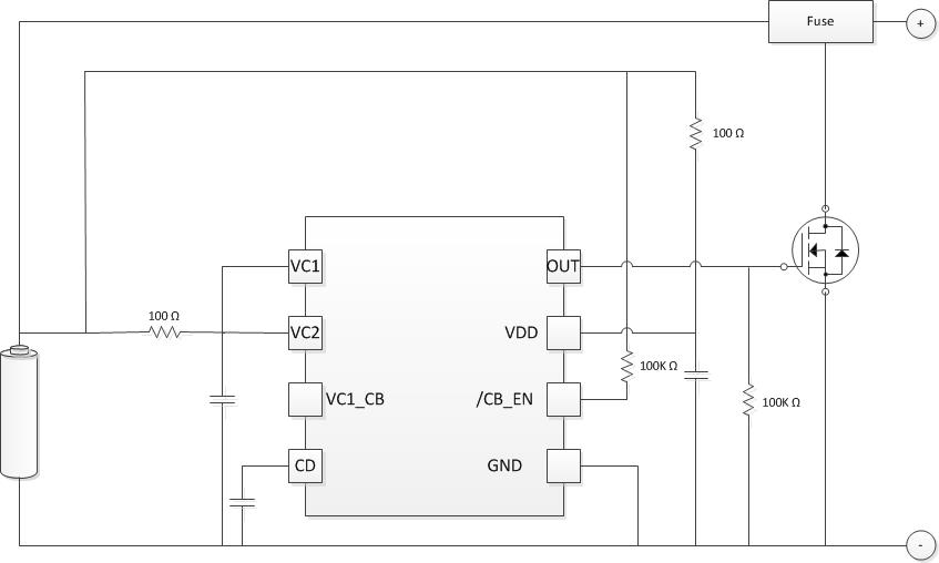
We want to search secondary Voltage protectors which have Q1 ceritication.

Do you have secondary voltage protecotors which have Q1 and 1-Cell  like bq2941x?

Thanks

Best Regards

Gerald.