This thread has been locked.

If you have a related question, please click the "Ask a related question" button in the top right corner. The newly created question will be automatically linked to this question.

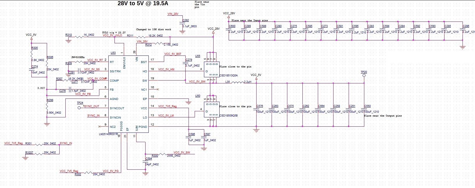
LM25145: Noise observed and no output

Part Number: LM25145

Hi,

We are working with the LM25145RGYR in one of our boards.

We are generating a 5V from 28V with this circuit. Below is the schematic of the same.

We have observed the output voltage is at 1.1V. and there is a light sound coming out from the IC.

We tried probing the SS pin with a multimeter and found that the voltage is 150mV.

Also the other pins RT-0.99V, Comp -330mV, 7.5VRegout -6.44V, Sync IN- 2.1V, SW-180mV, PG -0V.

Has anyone seen this behavior?

Can anyone please help me to move forward.

Thanks & Regards,

Nanjunda M