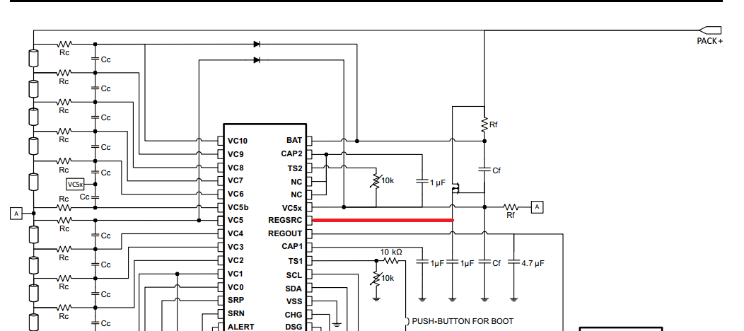
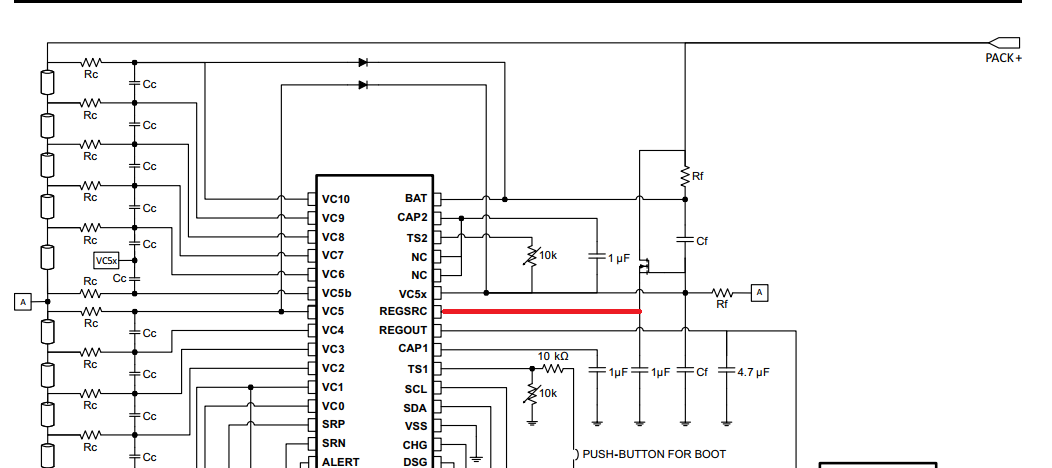
what is have any affect the "REGSRC"pin supply voltage by 10.5V LDO from PACK+?The customer don't want to use VC5X and mosfet circuit.Whether will affect the power consumption?
This thread has been locked.
If you have a related question, please click the "Ask a related question" button in the top right corner. The newly created question will be automatically linked to this question.
what is have any affect the "REGSRC"pin supply voltage by 10.5V LDO from PACK+?The customer don't want to use VC5X and mosfet circuit.Whether will affect the power consumption?