Other Parts Discussed in Thread: BQ27220
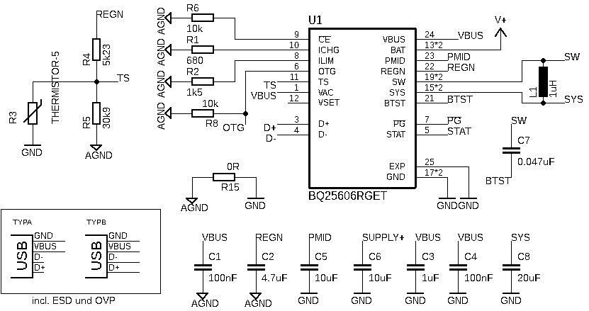
I try to develop a charging circut based on the charging-IC BQ25606, the gauge-IC BQ27220 gauge and BQ279XX for cell protection purpose based on the EVM kits.
You can see what I came up with down below.
The battery will be an 18650. I would like to charge it with around 1A charging current. The load will be around 50mA.
Before producing the first prototype layout for further testing, I would like someone to check my powerpath design.
Thank you very much!
kind regards
T. Klaas


