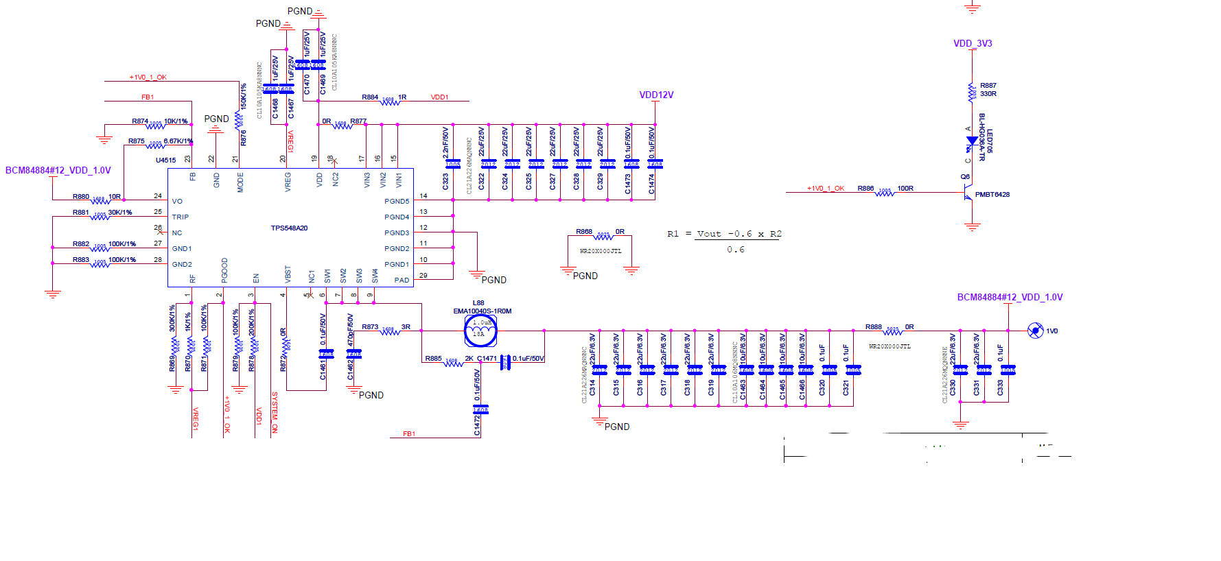
I made a circuit diagram as shown below.
Please review.
Thanks,
TM
This thread has been locked.
If you have a related question, please click the "Ask a related question" button in the top right corner. The newly created question will be automatically linked to this question.
TM,
The schematic looks good. It seems you have copied a lot of it from the existing datasheet. On thing I can mention, you could use a lower value inductor if you desire. 470 nH or 330 nH would work.