Other Parts Discussed in Thread: BQSTUDIO
Tool/software: WEBENCH® Design Tools
Hello Everyone ,
iam testing battery of lead acid type, 1.3ah, 12v . iam in step of learning cycle.
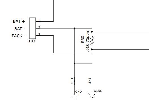
is sense resistor is internally available in Bq34z100-EVM , or we should connect the sense resistor to battery or evm.
i started the learning cycle , i am discharging the battery but current and average current values are 0 in bqstudio,

