This thread has been locked.

If you have a related question, please click the "Ask a related question" button in the top right corner. The newly created question will be automatically linked to this question.

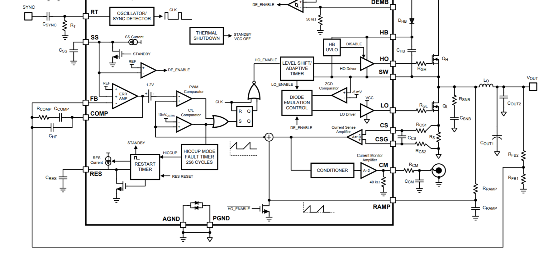
LM25117: LM25117 CM calculation

Part Number: LM25117

Hi Team,

I have two questions regarding LM25117:

1.What is the Sample and Hold DC value? As far as I understand, this DC level is the inductor valley current.

2. If the DC level is the inductor valley current, then equation 14 is not correct. According to equation 14, we can get the average inductor value. But what sampled and hold in CM is the inductor valley current.