This thread has been locked.

If you have a related question, please click the "Ask a related question" button in the top right corner. The newly created question will be automatically linked to this question.

BQ40Z50-R1: Mosfet Rgs 10M function

Part Number: BQ40Z50-R1
Other Parts Discussed in Thread: BQ27742-G1

Hi,

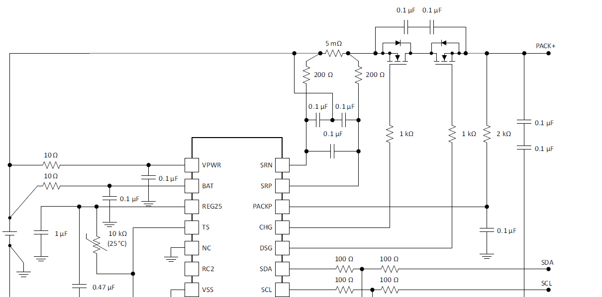
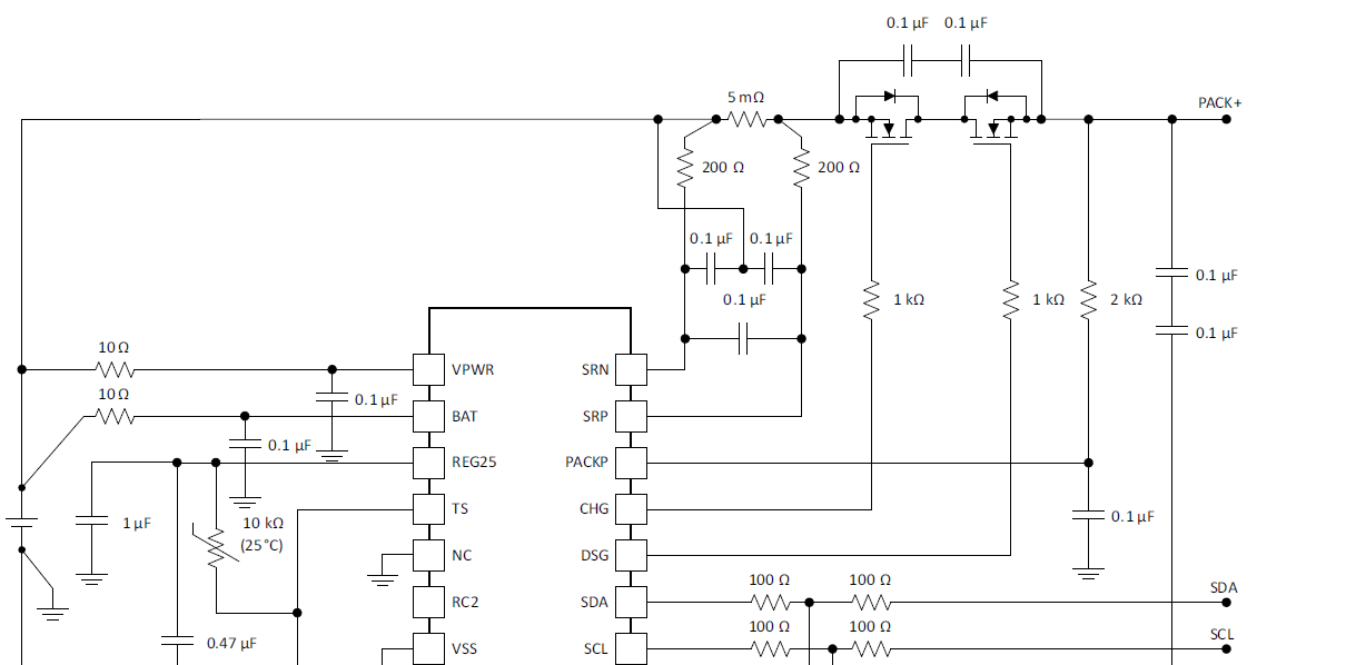
BQ40Z50-R1 suggested to connect a 10M ohm resistor from Mosfet Gate to Source, but I found BQ27742-G1 without this suggestion.

1. What's diffierent between BQ40Z50-R1 and Bq27742-G1?

2. Can I remove this 10M ohm resistor when I use BQ40Z50-R1? What's condition need to consider when I remove it?