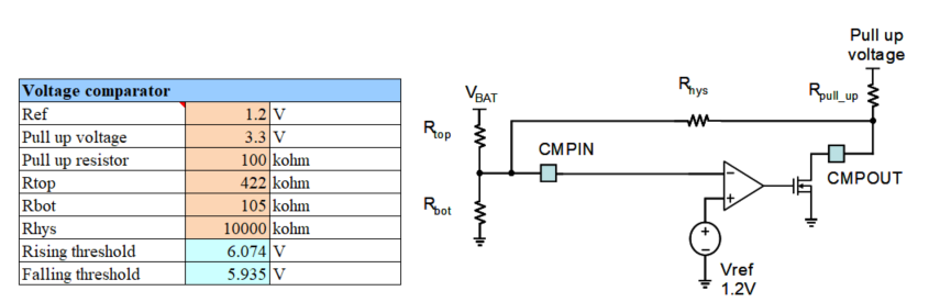
The customer select 10Mohm as Rhys as follows.
What limitation is for selecting Rhys?
Thanks
Tamio
This thread has been locked.
If you have a related question, please click the "Ask a related question" button in the top right corner. The newly created question will be automatically linked to this question.
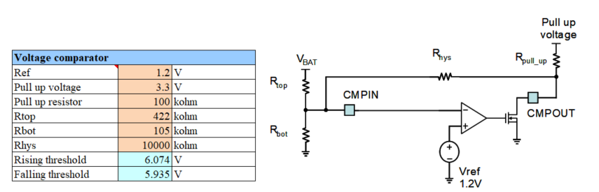
The customer select 10Mohm as Rhys as follows.
What limitation is for selecting Rhys?
Thanks
Tamio