Dear expert,
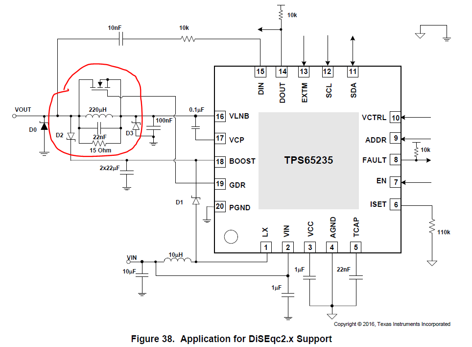
Our customer would like to learn from you what the function of RC which parallel with boost inductor(220uH)?
How to calculate this RC value? Can we change to 220nF with 220uH inductor?
Thanks!
Ben
This thread has been locked.
If you have a related question, please click the "Ask a related question" button in the top right corner. The newly created question will be automatically linked to this question.
Dear expert,
Our customer would like to learn from you what the function of RC which parallel with boost inductor(220uH)?
How to calculate this RC value? Can we change to 220nF with 220uH inductor?
Thanks!
Ben
Hi Ben,
Do you mean the 220uH inductor in red circle?
It acts as a RLC filter. In DiSEqC 2.x protocol, it's a 2-way communication between LNB and the switch box. The LNB can work in both receiver and accessory mode. When it works as a receiver, the parallel FET is ON and tone signal goes to switch box. When it works as an accessory, the FET is OFF and the signals from switch box is filtered out, so the output of LNB is not affected.
For the detail, please refer to the application note below, (Chapter 3.2.2)

Regards,
Sam