This thread has been locked.

If you have a related question, please click the "Ask a related question" button in the top right corner. The newly created question will be automatically linked to this question.

TPS2378: Connection at only Alternative A

Part Number: TPS2378

Dear Specialists,

My customer is considering TPS2378 and has a question.

I would grateful if you could advise.

---

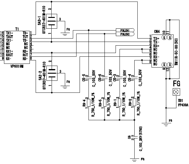
I would like to design the PD side to work with only Alternative A.

Because our system is used only Alternative A.

In this case, the connection of the pins used by Alternative B is connected as shown in the attached figure.

Is there no problem?

---

I appreciate your great help in advance.

Best regards,

Shinichi