This thread has been locked.

If you have a related question, please click the "Ask a related question" button in the top right corner. The newly created question will be automatically linked to this question.

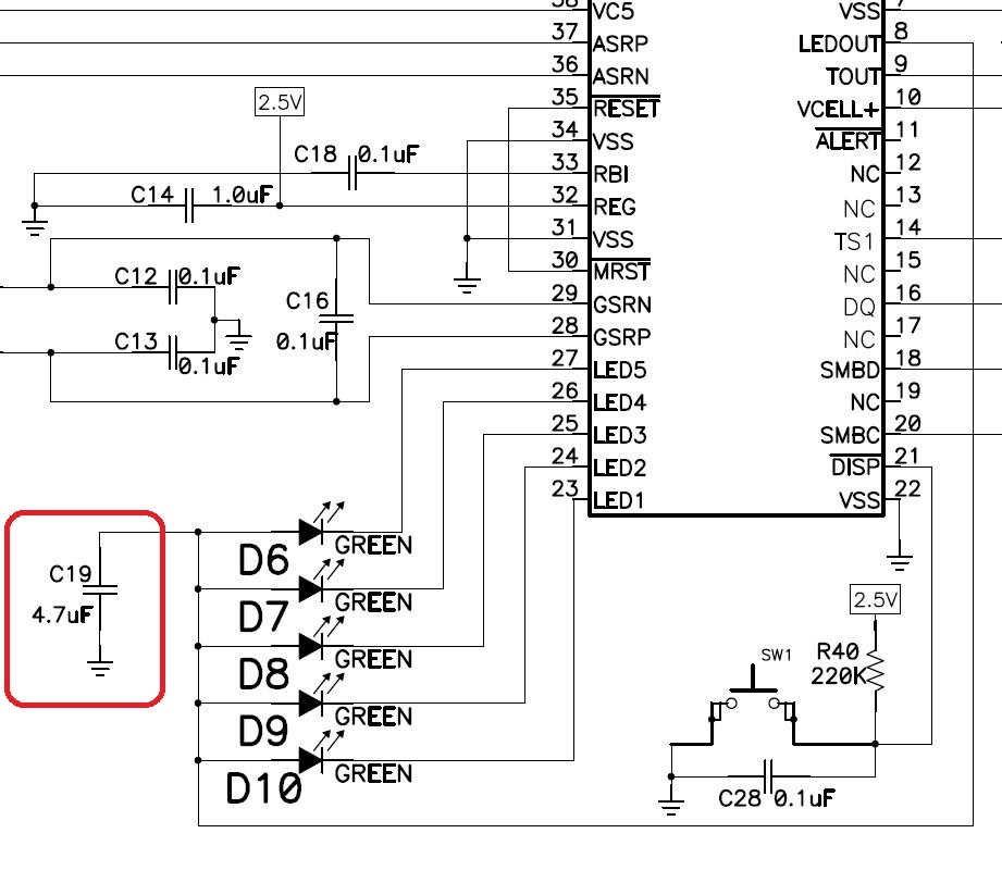
BQ34Z950: BQ34Z950 cannot power up

Part Number: BQ34Z950

Hi TI,

Currently I'm facing a problem with my board. IC BQ34Z950 on my board is not turn on. I already check the Vcc voltage and it's available. the REG25 and REG33 have no output. The SMBD and SMBC is 3.3V and always high (seem the IC not send or received any data and BQ evaluation software also didn't detect anything from this IC ). What other points should I check in order to turn on the IC?

Thank you.

Best regards,

Fariz