This thread has been locked.

If you have a related question, please click the "Ask a related question" button in the top right corner. The newly created question will be automatically linked to this question.

TPS61169: TPS61169 appears a different drive current at 1% PWM input

Part Number: TPS61169
Other Parts Discussed in Thread: TPS61165

Hi,

Issue description : My design is  use a TPS61169 to drive a LCD backlight circuit (LED number 1*8,Vf(typ)24.8V@30mA ). I find these is very few IC(10/10000) occurs different drive current when we use 1%  PWM input at Ctrl  Pin (24Khz,3V3 voltage level ) ,the LCD backlight show a lower light brightness,but  the same  Vfb value appears at 100% PWM input. I switch the IC  to another good PCBA,the result is whatever the PCBA we used the failure is always appear at same IC.

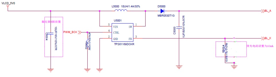
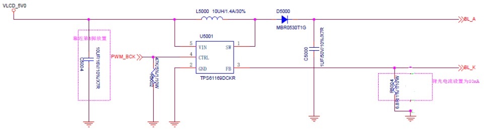
measure data&circuit detail :

abnormal  IC         1% PWM input                  Vfb=2mV                      Vout=20.4V       ( Rset=6.8R        L=10uH/1.4A   Diode MBR0530)

                              100% PWM input             Vfb=203mV

noraml IC              1% PWM input                  Vfb=11mV                     Vout=21.1V       (Rset=6.8R         L=10uH/1.4A   Diode MBR0530)

                              100% PWM input             Vfb=209mV

LED backlight parameter :

circuit design :

layout picture :

Questions:

1. It there any problem  in circuit design and pcb layout ? 

2. why the few IC's Vfb value shown like follow the datasheet descripted?but most of IC's Vfb at 1%PWM like NG ( base on the datasheet :Vref=204mV,Iset=204mv/6.8R=30mA,1% PWM ,Iout=0.3mA,Vfb=2.04mA)

3. why the two ICs have a same Vfb value at 100% PWM input but not happen at 1%?

4. In your opinioin, which one is normal IC in this case?  The majority of IC or the few? 

5. How can I lock the root cause in this case ?

THank you very much !

I am looking forward your feedback.

Best regards,

Jun

   

  • Hi ,
    Thanks for using our TPS61169, for your question as below:
    1.The schematic and pcb seems ok from my side;
    2.This device has some varivation expecially on the low current;
    3.In our design, at lower current , we have designed to add some offset to make sure the curent is not mixed by the noise. But with the current increase, it have better linear relationship between pwm duty and fb volatge as have seen;
    4.Both are right, but most case should match with your "Normal IC";
    5. The root cause is came form varivation, you can refer to your "Normal IC" as reference for low current, if you decrease the pwm dimming frequency, it should has better performance.
    Regards
    Sean
  • Dear Sean,

    Thank you for your feedback.

    We try to decrease the PWM dimming frequency that it been set at 5KHz at 1% duty cycle. But the Vfb difference is still there.

    The test data as below:

    abnormal  IC         1% PWM input (5Khz)                 Vfb=1.9mV                      Vout=20.4V       ( Rset=6.8R        L=10uH/1.4A   Diode MBR0530)

                                 100% PWM input             Vfb=203mV

    noraml IC              1% PWM input (5Khz)                  Vfb=12mV                     Vout=21.1V       (Rset=6.8R         L=10uH/1.4A   Diode MBR0530)

                                 100% PWM input             Vfb=209mV

    So, I think decrease the PWM dimming frequency is no efficiency for  1% PWM control .

    At the same time , I have applied for the tps 61169 EVM board ,if I get the same situation  on that board , can we confirm this information that  the 1% PWM dimming control on this chip would have a small probability to appear different current output ?

    And is that a noraml situation for this chip ?

    If the answer is yes ,I want know if that two kind of IC can work stably in 1%PWM mode at next 3 years or longer ?

    Do we need do online aging test ?

    This confirmation is very important for me .

    Thanks!

    Best regards,

    Jun

  • Hi Jun,
    I think the results should follow by the device, not the board. And I think this non-linear phenomenon is normal , for 1% PWM duty cycle, our device should work properly and this device has been used widely used by lots of smartphone customers.
    Best Regards
    Sean
  • Dear Sean,

    I know this IC is widely used chip.And we aslo have used TPS61165 on our former product,the performance is good .
    But on this case ,this lot of TPS61169 IC appear consensus problem at 1% PWM, it is very strange.
    I have done the IC componet switching compare test. Under the same 1% PWM control condition,I put the "lower current IC" to the normal current IC's PCB,and the lower current situation was follow the IC. And same PCBA,same LCD module ,just switching the IC, the normal IC can have a normal current on low current IC's PCB.
    So I don't think it is LCD device problem, because I have done the LCD module switching test too.
    The result shown the different current is only related to TPS61169 IC.

    Can you tell me which reason can affect the current output ?
    And how worse can be influence at 1% PWM dimming control ?
    How can I measure it ?

    In a word ,the only thing I need to confirm is whether these two chips are working properly?
    At this moment , I have no idea to proof the IC which Vfb=11mV at 1%PWM input is no problem ?(As I mentioned before ,the measure data is not match with the datasheet shown)

    Can you give me some evidence or some data detail to make it reasonable?



    Thank you very much !
    Best regards ,
    Jun

  • Dear Sean,

    At this morning , I got some TPS61169 samples from Singapore TI warehouse. And I do the same test as before , the data shown that the new sample's output value is the same as most case . So,this result is follow your judgement that the "most case" is good.
    And on this Friday, we will got the EVM PCB board , if the " few case " is shown the same value as before ,then can we fully confirm the both two kind of IC are all good .
    Do you agree this ?

    Best regards,
    Jun
  • Hi Jun,
    Yes, please let me know the test results .
    Best Regards
    Sean
  • Dear sean,
    We have already tested the two kinds IC on EVM PCB board. The result is same as on our design PCBA's.
    Maybe later I can provide the test detail and the data.
    Do you have any comment on this issue ?

    Best regards,
    Jun
  • Dear Sean,
    The test data as below. The test PCBA is TPS61169 EVM board, and we only change TPS61169 IC to verify this issue.
    This test result is the same as the PCBA we designed.
    Vfb Vout PWM
    EVM PCBA IC 10.68mV 25.3V 1%
    PASS IC 14.8mV 25.43V 1%
    FAIL IC 2.37mV 24.7V 1%
    Can you confilm this two different phenomenon is normal?
    If this phenomenon is normal, how to avoid the different brightness in our product?