This thread has been locked.

If you have a related question, please click the "Ask a related question" button in the top right corner. The newly created question will be automatically linked to this question.

BQ51003: I don't get a Qi lock on all PCBs in the same batch.

Part Number: BQ51003


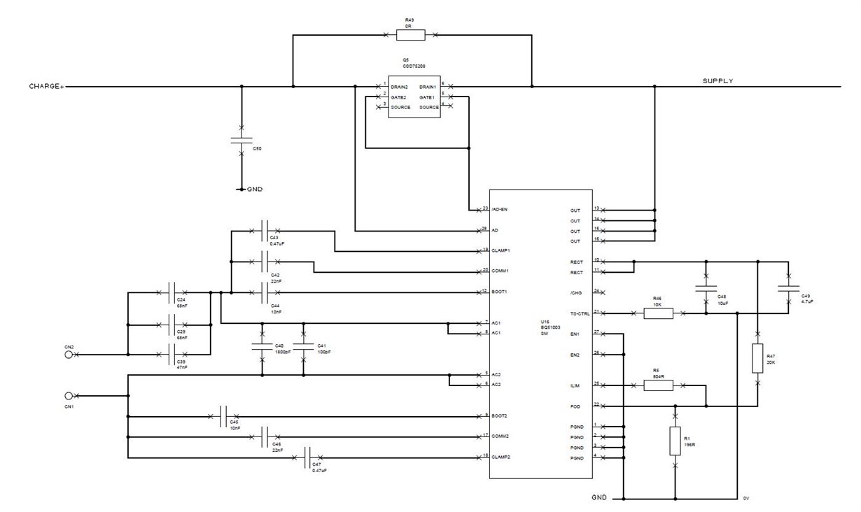
I have used the suggested BQ51003 circuit from datasheet   (and development board)  but only get a lock on around 5 out of 10 PCBs in a prototype batch.

3  different  off-the-shelf  Qi   TX units do the same.

Attached :- 

-  RX  circuit schematic  jpg

-  datasheet for the RX  coil being used

-  signal on BQ510003  output  where you can see it starting to talk and get up to speed but then turns itself off and starts again

-  feeds  MCP73833  battery charge controller with limit set to 200mA  

-  still no lock if the battery is fully charged and the circuit is turned off so that it's virtually no load

Any ideas for what I can try to fix this?

Thanks.