Dear Team,
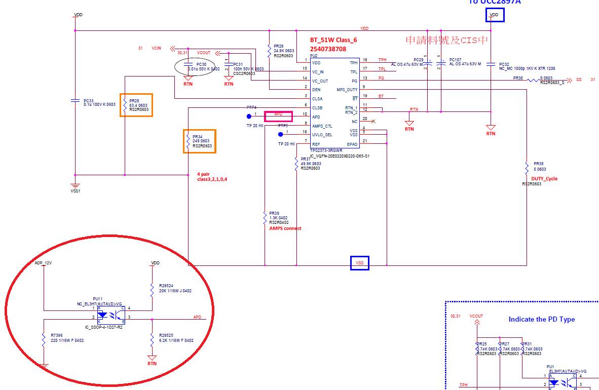
Can you help on double check the APD pin design is correct or not?
Besides, if APD pin is higher than 1.65V, the hot swap MOSFET will turn off directly, right?
The customer mentioned higher APD voltage will have lower VDD voltage here.
Can you help on confirming it?
BR
Kevin
