Other Parts Discussed in Thread: TPS25940-Q1
Hello,
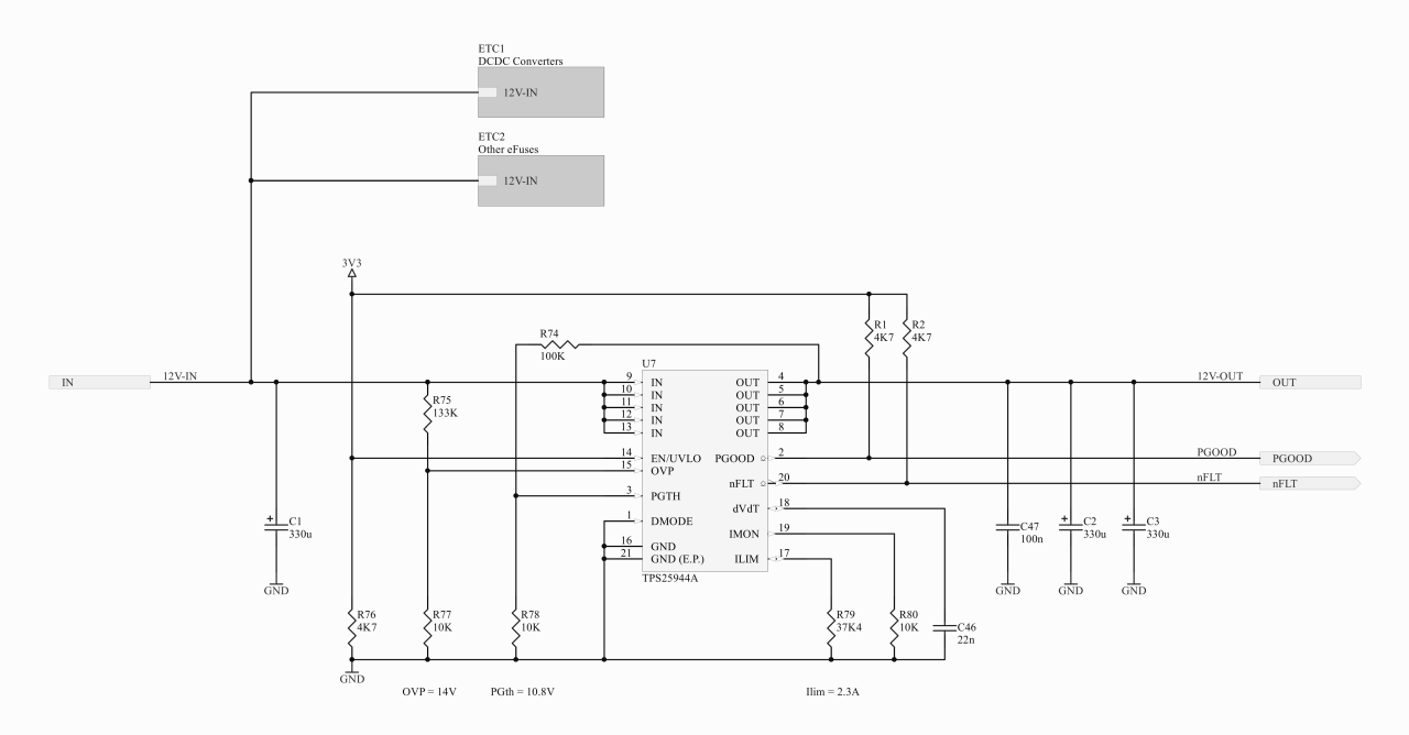
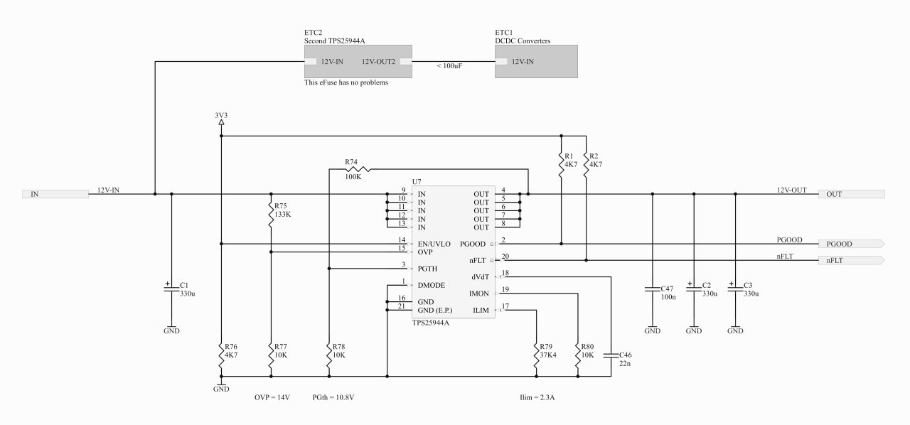
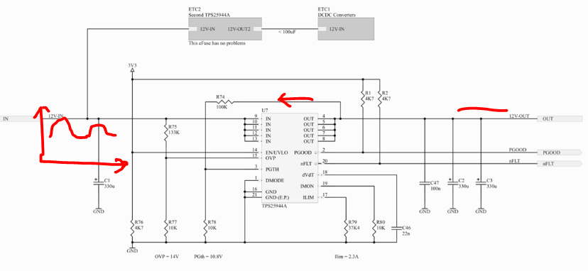
I'm using the TPS25944A as an eFuse according to the attached schematic. The circuit needs quite a lot of capacitors because of other schematic aspects.
What I observe is that the nFLT output never gets high and the output is switched on and off with a frequency of about 100Hz if there is a low resistive load (<100mA). Increasing the load leads to an increased frequency of the nFLT pulses and out ripple. If the load is around 1A everything gets fine and the nFLT is constantly high.
My only guess for this behavior is that the reverse current comparator is triggered by a current flowing from the output capacitors to the input capacitor. I would not have expected this and unfortunately this generates a lot of noise. There is no possibility that current is fed from outside. Current can only come from the capacitors. The capacitors are low ESR types (<20mR).
PGOOD is OK all the time.
Is there a way to prevent this toggling for low loads/currents?
Are there other reasons that might cause this behavior?
I would appreciate any help...
Thanks and regards,
Reno




