This thread has been locked.

If you have a related question, please click the "Ask a related question" button in the top right corner. The newly created question will be automatically linked to this question.

LP5024: LP5024 SCH check

Part Number: LP5024


Hello

1. what's the LDO output voltage Vcap ? is 1.8V ?

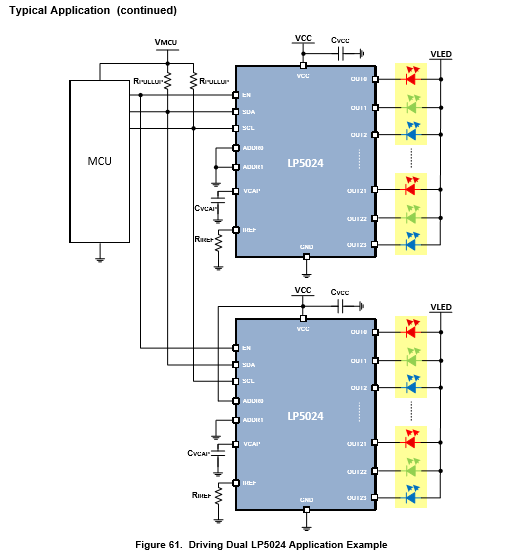
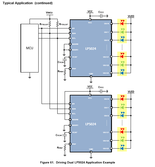
2. I using 2 pcs LP5024 like Figure 61, but I will connect all Vcc, Vled, VMCU together to 3.3V,  do you think its ok ? 

  • Hi, Fandy,

    It's 1.8V.

    For 3.3V Vled, what's your LED forward voltage Vf and current per channel?

    You need to make sure the voltage drop on the OUT 3.3V - Vf is enough for constant current. Please refer to Figure 7 in datasheet.