This thread has been locked.

If you have a related question, please click the "Ask a related question" button in the top right corner. The newly created question will be automatically linked to this question.

BQ76200: DSG pin delay 600 us after GSG_EN go low ?

Part Number: BQ76200

Hi 

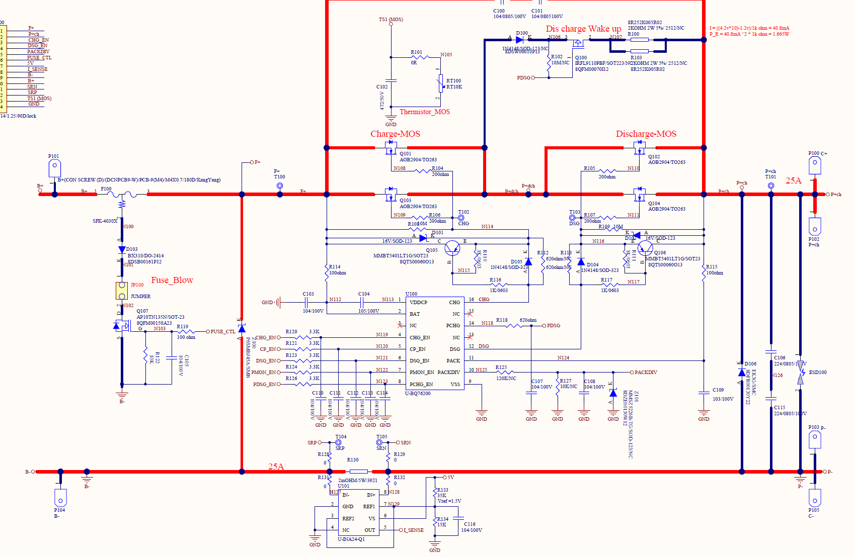
In our circuit we DSG pin delay 600 us after GSG_EN go low. Would you help review our schematics any thing wrong there? 

DSG_EN and DSG waveform captured below 

Our schematics

  • Hi PYTsai,
    The bq76200 response is fast as shown in the data sheet table and the application note www.ti.com/.../slva729a.pdf figure 3 although as shown the transition time can be long depending on the load. Q106 can help with transition time but may add some delay.
    Most of the delay you experience may be from R123 and C112 which have a time constant of 330 us. The VIL of the DSG_EN pin is low, 0.6V, so the filter from the DSG_EN signal to the DSG_EN pin may introduce most of the delay you are seeing.