Hi Sir,
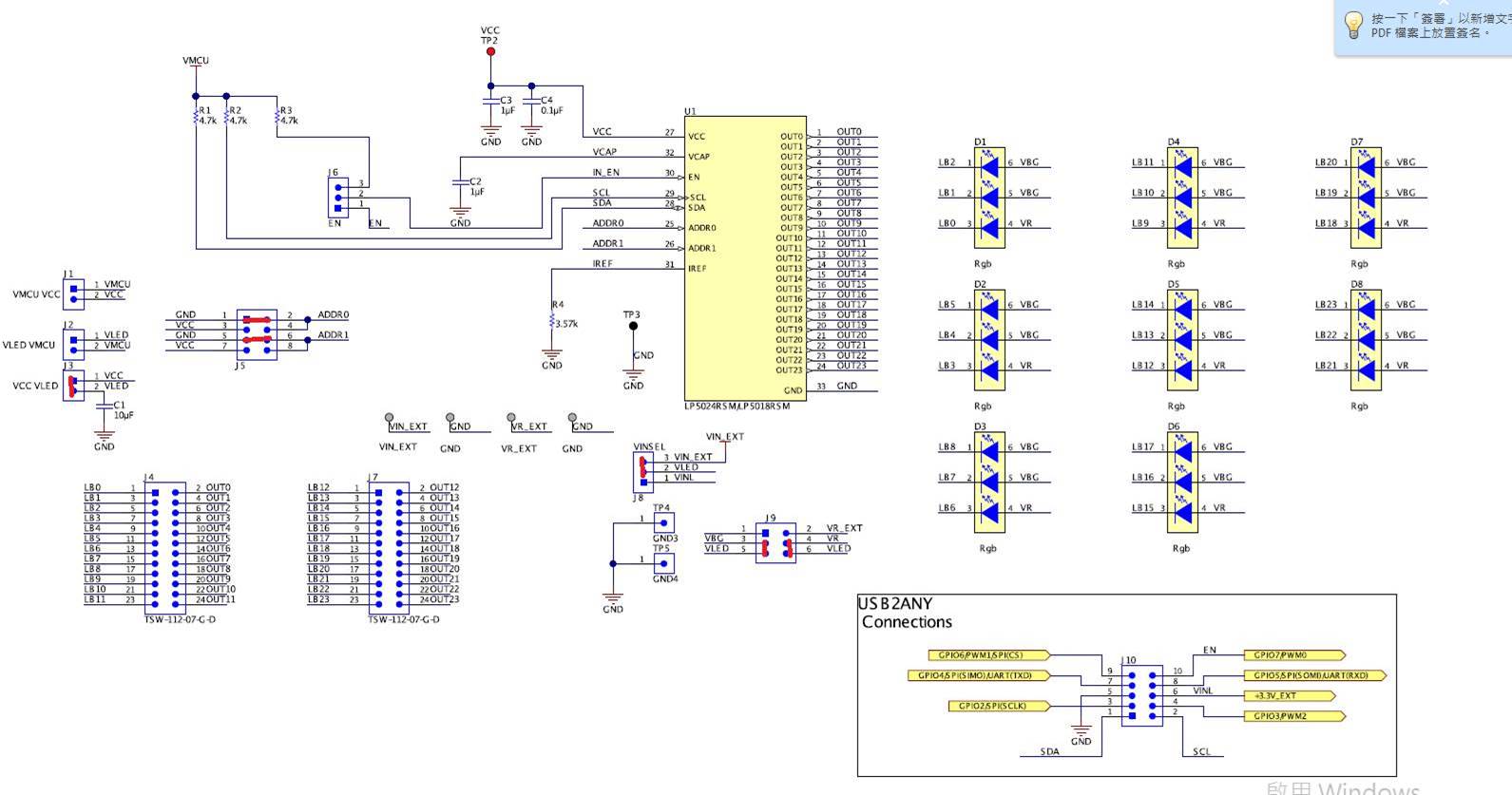
Please refer our design set up as below:
– VCC Range: 2.7 V to 5.5 V
– EN, SDA, and SCL Pins Compatible With 1.8-V, 3.3-V, and 5-V Power Rails
Condition 1:
VCC=VLED=5V
VMCU=3.3V
I2C level =3.3V
=>CPU can write through I2C
Condition 2:
VCC=VLED=5V
VMCU=1.8V
I2C level =1.8V
=>CPU can't write through I2C
May I have your comment about why condition 2 can't use CPU to write through I2C?
Thank you for your kindly help.
Edward Chen
