This thread has been locked.

If you have a related question, please click the "Ask a related question" button in the top right corner. The newly created question will be automatically linked to this question.

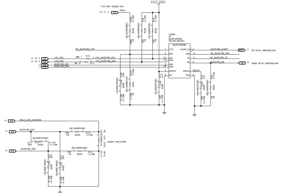
BQ35100: For bulk capacitor capacity decline detect

Part Number: BQ35100

Hi Team,

Is it OK to use BQ35100 ACC mode for bulk capacitor capacity decline detect?

If it is OK, ACC would accumulate the capacitor capacity value, right?

Can it sweep previous value as every read command?

Also, any calibration tool of BQ35100 need for factory test?

Thanks