Dear Sir,
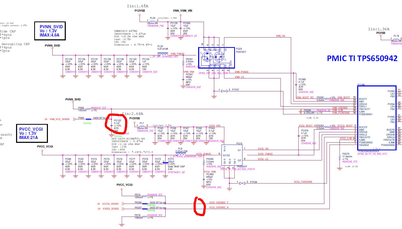
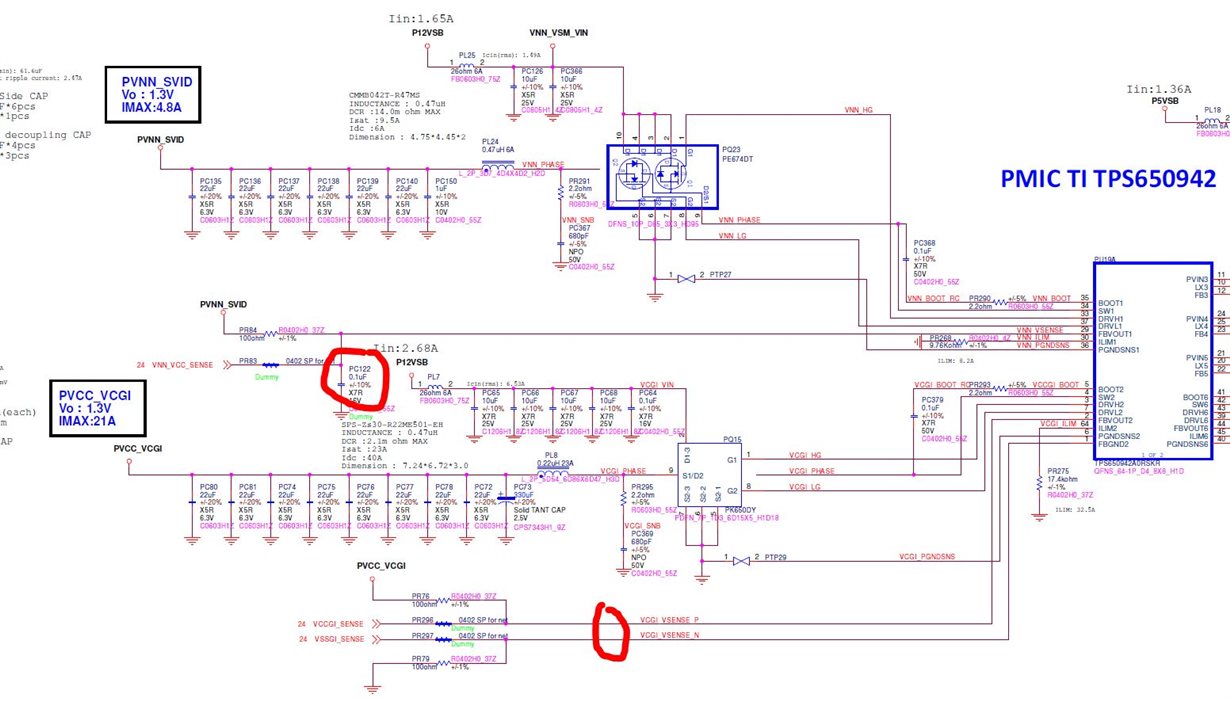
I am Alec Chen form WT and our customer is currently using TPS650942 in their design(please see the schematic as below). And we discover that the Jitter for the Buck 2(VCGI) power rail is over RD's spec (within 25%) . Please also see the Jitter waveform that we measure shown as below. The first one is the 4A load waveform and sec one is the 21A(max load). We check TPS650942's spec and it seems that there are not much that we can change to improve the Jitter . Therefore , Could you kindly give us some advice about improving the Jitter issue? Thanks in advance
Above, please kindly help us and thank in advance. if there is any question,please feel free to contact with me
Cheers
Alec




