This thread has been locked.

If you have a related question, please click the "Ask a related question" button in the top right corner. The newly created question will be automatically linked to this question.

TPS61194-Q1: 2 strings LED best connection

Part Number: TPS61194-Q1
Other Parts Discussed in Thread: TPS61194

Hello teams,

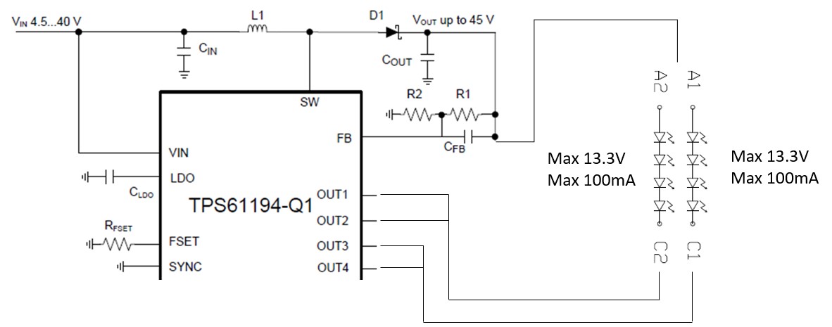
I have a backlight LED with 2 channels, each have 4 LEDs. TPS61194 Vin=5V, the Vou is 13.3V. Below is the backlight LED spec.

In previous project, we have below connection:

But someone told me the best connection is as below diagram:

They said that using different sinks to drive the current can get better balance of each string. I am not the expert, but my question is, TPS61194 has only one Iset resistor, how could I control different independent sink to keep each LED string balance lightness? Any reason or explanation I can read?

  • Hi Team,

    I got the reason, please let me know if it is correct.

    If I short 2 strings in 1, TPS61194 sinks 200mA, but no one knows the exact current for each string. Maybe one string is 80mA, another one is 120mA. But if I separate to different channels, I can say, both of the strings uses 100mA exactly.

    Though we cannot make sure the brightness, but we can keep the current consistent. Am I right?

  • Hi Nick,

    The TPS61194 device can control the current of each of the 4 current sink outputs to be constant. So if you connect like the second diagram, it can control the current of each LED string to be 200mA. But if you connect like the first diagram, it can only control the total current to be 400mA. But the current distribution in the two LED string depends on the variation of the LEDs.