This thread has been locked.

If you have a related question, please click the "Ask a related question" button in the top right corner. The newly created question will be automatically linked to this question.

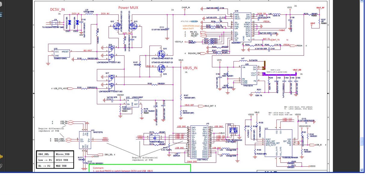
BQ24296M: Dual input source for VBUS

Part Number: BQ24296M

Hi there:

I'd like to check an application for our customer, please refer the the attached schematic.

1. CHGR_IN net: 2 power input (DC5V_in & VBUS_in) , it won't be presence together , VBAT set around 3.7V 

2. When using VBUS_in, we have 1.6A input and VBUS (C157) around 4.54V

3. When using DC5V_in, we have 1A input and VBUS (C157) arounf 4.528V

from customer side issue, any idea could cause those VBUS & input current different? (layout or schematic...)

In those 2 kind input config, will cause ICHG different behavior? (which register nee to check firstly?)