This thread has been locked.

If you have a related question, please click the "Ask a related question" button in the top right corner. The newly created question will be automatically linked to this question.

UCC27531: Output is always LOW irrespective of enable and input. We would like to know the reason for this issue

Part Number: UCC27531

UCC27531DBVT - Output is always LOW irrespective of enable and input. We would like to know the reason for this issue.

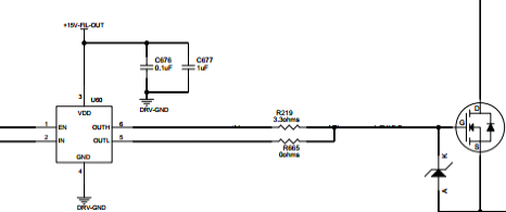
Circuit Diagram:


 

Supply voltage=15V, Both enable and input pin are controlled by FPGA (5V). It has been tested successfully for long period of time (ie.,operating hours=8hours/day, total working day =30days(approx)). But suddenly IC got failed now (Note: No changes done in circuit /setup). Total nos of failed IC is 2. I don't know why it was failed. Can you pls help us to find the root cause for this problem?

For info : Zener part # : BZT52C15-7-F, MOSFET part number : IPB60R199CP

Pulse ON/OFF time : 1us /1.7ms

We have taken some measurements from failed ICs for your information.

Test Results are given below,

Supply voltage:15V, Drawn current : 25mA (Without any input at enable and input pin).

Note: We have measured the output impedance for 2 failed ICs.

Failed IC Nos Pins
Enable Input OUTH (Imp measured W.r.t Supply Pin OUTL (Imp measured W.r.t Gnd Pin
1 High High Short Open
Low Low Short Short
2 Low Low Short Open
High High Short Short

Impedance measured to every pin w.r.t gnd without giving the supply to both ICs.

Pin No Impedance
1 open
2 222k
3 1.065meg
5 0.937meg
6 2.6meg

 

  • Hi Vairavan, 

    Thanks for your interest in our driver, my name is Mamadou Diallo, I am AE from the High Power Drivers group. 

    Your schematic looks OK, I do not see any major concerns except maybe increasing 1uF decoupling capacitor to 4uF to 10uF. Can you share a layout of your circuit as well to rule out any potential issues there. I want to double check component placements.

    Was there any physical failure observed? Were the FET and power supply also damaged? Did both ICs fail on the same board? or were they tested on separate boards.

    You mentioned that the driver was tested and performing normally for a while, can you please help with waveforms under normal operation of "good ICs" taken directly at the driver's pins? IN, EN, VDD, OUT(H/L) and Gate.I ask this because often times, this gives indication of potential warning signs and red flags. 

    Thanks for the additional information.

    Regards,

    -Mamadou

  • Hello Vairavan, 

    We have not heard from you in a while, I must assume that you've resolved the issue and does not require any further help. If so, please click the green button and share the resolution for other e2e users to learn from. I will, in the meantime mark this thread as resolved and close it. 

    If, however you're still having issues, please let us know by further posting on this thread with the additional information requested above and we will gladly help debug.

    Thanks again for your interest in our driver.

    Regards,

    -Mamadou