This thread has been locked.

If you have a related question, please click the "Ask a related question" button in the top right corner. The newly created question will be automatically linked to this question.

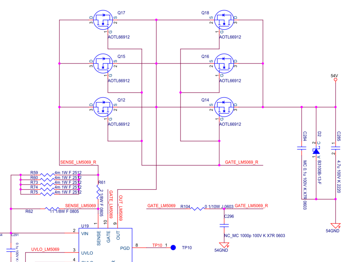
LM5069: LM5069 issue

Part Number: LM5069


Hi Sirs,

We use LM5069 and use document "LM5069_Design_Calculator_REV_C" to calculate,but it's show high risk. can you give me some suggestions?
please see the below for SCH and design tool figure

sch

Design tool