This thread has been locked.

If you have a related question, please click the "Ask a related question" button in the top right corner. The newly created question will be automatically linked to this question.

BQ24171: ISET vs ACSET

Part Number: BQ24171
Other Parts Discussed in Thread: TR100

Hi, 

I have a circuit where the ISET is set to charge at ICHG= 1.5Amps 

And I have set the ACSET for an IDPM= 3Amps

My initial supposition is that the Battery will charge in the maximum of 1.5Amps. 

But I realize that the max charge is 2.55 Amps (measured)

My question is: ACSET must be set a lower current? can it be 1 Amp? Does this mean that the current of the complete system will be ICHG + IDPM (1.5AMPS + 1AMPS)?

Thanks for your help in advance, 

Daniel

  • Daniel,

    ACSET clamps the maximum input current to the system and battery charger so ISYS+INbuck where INbuck is slightly less than ICHRG depending on buck converter efficiency.  ISET sets the maximum battery charge current, ICHRG.  ICHRG will be reduced if the charger senses that the battery is close to regulation. What is the voltage at SRN when you measure 2.55A?

    Regards,

    Jeff 

  • Hi Jeff, 

    Sorry for the late replay, here are my findings: when the Battery is totally discharged the charging current is 2.75Amps at least it remains like this for a while (depending on the initial charge) and after a while (more than 15 minutes the current start to drop).

    I'd like that the current for the battery maxim of 1.5 Amps.

    If my system is not connected to the mains when starts need a 1.2Amps that came from the battery.

    and I'd like to fit everything in the battery charger: so this means that I'd like to charge the battery at 1.5Amps at the same time that Starts the system. 

    The voltage in SRN (That is the same of the battery is 7.9V (I have 2 cells in series)

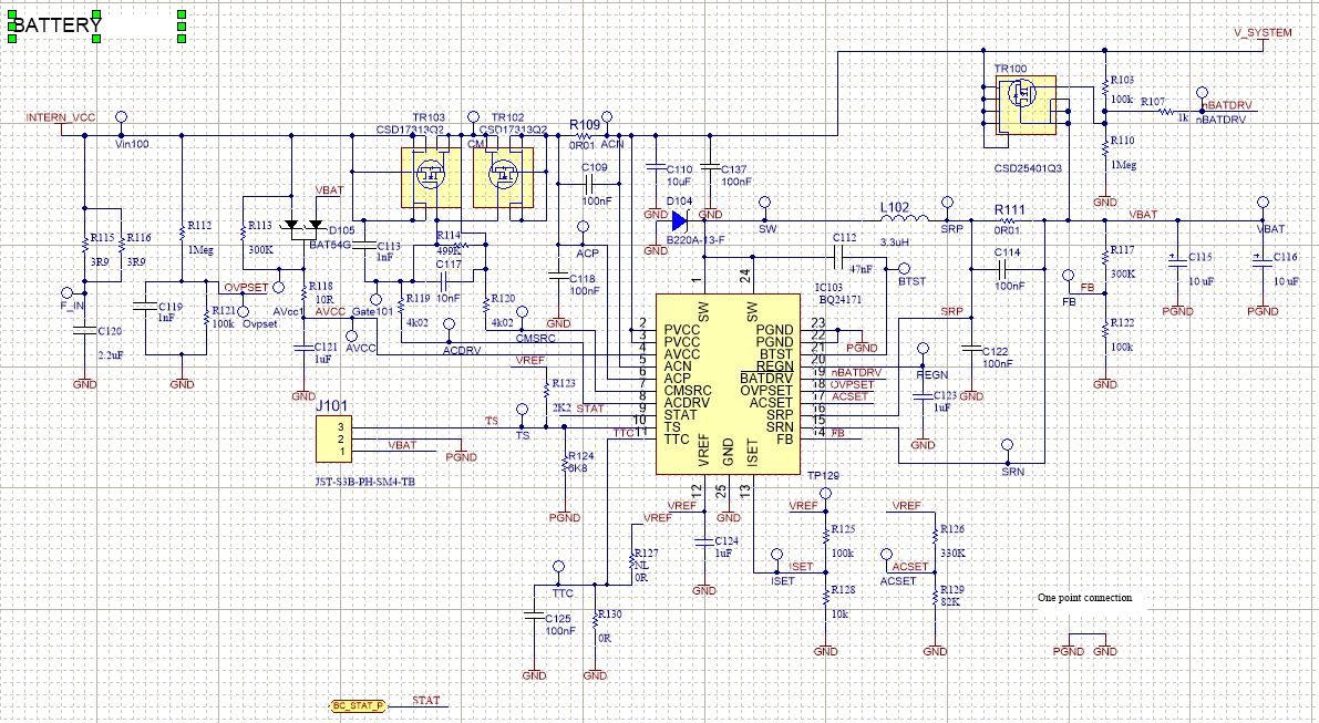
    Also, I attached the Battery charge schematics:

  • HI Daniel,

    I don't see any obvious schematic error. 1.2A + 1.5A is suspiciously close to 2.75A.  Is it possible that the BATFET TR100 is on and you are powering the system and battery at the same time?  What is the voltage at system and the input?  What is the voltage across R111 when you are getting 2.75A?  What is the voltage at VREF and ISET?

    Regards,

    Jeff

  • Hi Jeff, 

    Thanks for your inputs: I think finally I found it: 

    I was doing the measurements: (all with the 2.65AMps measured in the cable of the battery) and:

    The input voltage is 11.99 Volts

    The system voltage is 11.74Volts

    The Voltage across R111 is 0.026 volts

    Vref is 3.3Volts

    BUT ISET is 0.5Volts

    HEre I found it: 

    The PCA supplier has mounted a different value of the resistor:

    Issue solved. change it, this works

    Thanks again for your incredible supplort